- Tutorial nº 70 -

Instalaciones Eléctricas
en los Vehículos

Índice de contenidos:

1- Componentes de la instalación

1.1- Generalidades

1.2- Batería auxiliar o de servicio

1.3- Relé separador o de carga automática de baterías

1.4- Inversor de corriente

1.5- Cuadro general de protección

1.6- Líneas eléctricas interiores

1.7- Aparamenta y aparatos de uso

2- Proceso de cálculo

2.1- Cálculo de las cargas eléctricas

2.2- Selección de la batería

2.3- Cálculo de las líneas interiores

2.4- Dispositivos de protección

ANEXOS:

A.1- Esquema Unifilar de la instalación

A.2- Tabla para la elección de la sección de cables eléctricos

A.3- Tabla de conversión de unidades de sección de cable: AWG ↔ mm2

 


DESARROLLO DEL CONTENIDO


1- Componentes de la instalación

1.1- Generalidades

Son numerosas las ocasiones donde es necesario realizar instalaciones adicionales en el habitáculo o cabina del vehículo que presten servicios adicionales según el uso para al que finalmente se destine.

Así por ejemplo, en el caso de la transformación de un vehículo en vehículo-vivienda o casa móvil, será necesario realizar una instalación eléctrica adicional que dará servicio a pequeños electrodomésticos que se instalarán en el habitáculo (lámparas, frigoríficos, TV, cocinas...). También en vehículos comerciales o de reparto podrá ser necesario la instalación de tomas de corriente, extractores de aire o lámparas interiores en la cabina de carga, etc. que requerirá una instalación eléctrica auxiliar o de servicios.

En este tutorial se tratará de definir cómo diseñar estas instalaciones eléctricas y se estudiarán los distintos componentes que forman parte de ella.

1.2- Batería auxiliar o de servicio

Para alimentar la instalación interior de los servicios del vehículo, que no sean las necesidades propias de funcionamiento del vehículo (arranque, luces...), es necesario instalar una batería auxiliar o batería de servicios, distinta de la batería de arranque.

Esta batería de servicios dará alimentación a la instalación eléctrica del habitáculo de la autocaravana, casas móviles, roulottes o de la cabina de carga y de los aparatos eléctricos allí instalados. En todo caso, la batería de servicio no debe ser bajo ningún concepto de mayor tamaño que la de arranque o principal del vehículo.

Toda batería viene especificada por su voltaje en voltios (V) y por su capacidad de suministro, en A·h. La tensión que suministra una batería es de 12V si es de 6 celdas o vasos, o de 24V si la betería es de 12 vasos (especialmente recomendada para vehículos pesados o con muchos servicios instalados).

Por otro lado, su capacidad de suministro, medido en A·h, refleja la cantidad de carga total que puede acumular la batería (recordar que 1 Amperios x hora equivale a 3600 culombios (C)). Ejemplo, una batería de capacidad 100A·h (360000 C) sería capaz de suministrar una corriente de 100 amperios durante una hora de servicio.

Básicamente cabe distinguir dos tipos de baterías según la naturaleza del electrolito de su interior: de ácido líquido y baterías de gel.

Baterías de líquido:

Son aquellas de electrolito líquido (solución acuosa de ácido sulfúrico y agua) donde se encuentran inmersos las placas positivas y negativas de plomo (electrodos). Son modelos de baterías muy robustos, recomendados para vehículos de uso muy frecuente o con consumos moderados.

Las baterías con electrolito líquido deben estar en posición vertical en todo momento, dado que existe peligro de derrame si se colocan de costado o inclinadas. Además estas baterías van a necesitar de operaciones de mantenimiento y de control del nivel de electrolito en el interior de los vasos, reponiendo con agua destilada si el nivel baja por debajo del permitido.

 

Baterías de gel:

Las baterías de gel están constituidas por un ácido gelificado que envuelven las placas positivas y negativas (los electrodos) fabricadas de aleación de plomo-calcio. Son baterías herméticas que al no contener líquidos, pueden volcarse sin peligro, no emiten gases, son limpias, no generan olores y no precisan ningún tipo de mantenimiento.

Además este tipo de baterías se comportan mejor ante continuos procesos de cargas y descargas, permiten un proceso de descarga del 100%, y tienen un mayor poder de recuperación que las baterías de líquido.

En el sistema de batería sellada y hermética de gel, los gases que se producen durante la carga se recombinan para convertirse de nuevo en agua dentro de los elementos que componen la batería. De esta forma las baterías de gel son excepcionalmente limpias y seguras de manejar porque no se producen gases o vapores de ácido que pueden escapar al exterior de la batería.

 

La instalación de la batería de servicio dentro del vehículo debe realizarse en un lugar que sea accesible y además que esté protegido. Lo ideal es situarla lo más cerca posible de la batería principal, aunque si esto no fuera posible se puede colocar en el maletero trasero o en la parte baja de los asientos, según se muestra en la figura siguiente.

Ubicación de la batería de servicio

Figura 1. Ubicación de la batería de servicio

Importante también es evitar que los bornes de conexión de la batería toquen alguna parte metálica del vehículo, pues podría causar un cortocircuito. Se recomienda utilizar para ello conectores rápidos "Quick Power", como muestra la fugura siguiente.

Conectores Quick Power

Figura 2. Conectores "Quick Power"

 

Los cables de conexión con los bornes de la batería deberán ser acordes al amperaje que es capaz de desarrollar la batería. En la siguiente tabla se indican el tipo de cable según la capacidad en amperios de la batería, para una longitud de cable menor a 6 pies (1,83 m):

Tamaño de los cables (AWG)

Capacidad (Amperios)

14

25

12

30

10

40

8

55

6

75

4

95

2

130

1

150

1/0

170

2/0

265

4/0

360


Tabla 1. Tamaños de cables para la conexión con los bornes de baterías

 

Por otro lado, cuando sea necesario disponer de más potencia en la instalación, se pueden realizar conexiones entre dos o más baterías hasta alcanzar la potencia necesaria. Existen las siguientes posibilidades: en serie, en paralelo o conexión serie-paralelo. A continuación se estudia la configuración de cada una de ellas.

Conexiones en serie de baterías:

Esta conexión aumentará el voltaje del sistema, pero no aumentará su capacidad total.

Conexión en serie de baterías

Figura 3. Conexión en serie

Ejemplo:

Dos baterías de 6V con capacidad de 225A·h, conectadas en serie dará lugar a un sistema de las siguientes características:

- Voltaje del sistema: 6V + 6V = 12V

- Capacidad del sistema = 225 A·h

 

Conexión en paralelo de baterías:

Con esta conexión se aumenta la capacidad de la batería resultante, pero no aumentará el voltaje del sistema.

Conexión en paralelo de baterías

Figura 4. Conexión en paralelo

Ejemplo:

Dos baterías de 6V con capacidad de 225A·h, conectadas en paralelo dará lugar a un sistema de las siguientes características:

- Voltaje del sistema = 6V

- Capacidad del sistema = 225A·h + 225 A·h = 450A·h

 

Conexión en serie-paralelo de baterías:

Para aumentar tanto la capacidad como el voltaje del sistema se puede conectar un grupo de baterías en serie a otro en paralelo.

Conexión en serie-paralelo de baterías

Figura 5. Conexión en serie-paralelo

Ejemplo:

Cuatro baterías de 6V con capacidad de 225A·h, conectadas en serie-paralelo, dará un sistema con las siguientes características:

- Voltaje del sistema = 6V + 6V = 12V

- Capacidad del sistema: 225 A·h + 225 A·h = 450 A·h

 

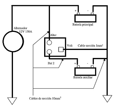
1.3- Relé separador o de carga automática de baterías

El relé separador es un dispositivo que va conectado a las baterías principal y auxiliar, de modo que cuando el vehículo se encuentra parado independiza el uso de ambas baterías, para evitar que la batería principal o de arranque se descargue por el consumo de los aparatos eléctricos instalados en el habitáculo. Y por otro lado, cuando el motor y el alternador del vehículo se encuentran funcionando, el relé mantiene unidas ambas baterías con el fin de realizar la carga.

Relé de carga automática de baterías

Figura 6. Relé de carga automática o relé separador

Se adjunta a continuación el esquema de su montaje:

Esquema de montaje del relé separador de baterías

Figura 7. Esquema de montaje del relé separador

El funcionamiento del relé separador es muy simple. Así, cuando el alternador genera una tensión igual o superior a los 13,5 V, el relé conecta la batería auxiliar al alternador, manteniendo esta conexión siempre que la tensión que suministre el alternador quede por encima de una tensión de 12,6 V. Por debajo de los 12,6 V o cuando el motor del vehículo se para, el relé separador se desconecta para evitar la descarga de la batería principal.

La instalación del relé debe realizarse lo más próximo al alternador, utilizando cables de sección de 10 mm2 lo más corto posible, para evitar excesiva caída de tensión que podría ocasionar un funcionamiento incorrecto. Además, es aconsejable instalar también un portafusibles de 50A para proteger la instalación.

 

1.4- Inversor de corriente

Debido a que el empleo de aparatos y equipos eléctricos (lámparas, frigoríficos, TV...) que funcionen en corriente alterna (CA) en tensiones de suministro de 110/130V, o 220/240V, según los países de uso, es mucho más barato, además de más fácil de adquirir, que los que funcionen en corriente continua (o corriente directa) (CC) a 12 V, condiciona en la mayoría de los casos a realizar una instalación eléctrica en el habitáculo o en la cabina de carga del vehículo en corriente alterna como si se tratara de una vivienda o local comercial.

Inversor de corriente

Figura 8. Inversor de corriente

No obstante, el punto de partida siempre va a ser la batería auxiliar que suministra en corriente continua (CC) a 12V, por lo que es necesario situar tras ella un dispositivo, llamado inversor de corriente, que transforma la corriente continua de la batería auxiliar del vehículo a corriente alterna (230V y 50Hz, o 120V y 60Hz, según los países) para poder así utilizar un aparato eléctrico común de 120V/230V.

En la siguiente figura se muestra un esquema de montaje del inversor junto a las baterías principal y auxiliar para servicios.

Esquema de montaje del inversor de corriente

Figura 9. Esquema de montaje del inversor de corriente

 

1.5- Cuadro general de protección

Al instalar el dispositivo de inversión de corriente, aguas abajo de éste se tiene una instalación eléctrica en corriente alterna de las comúnmente utilizadas en cualquier vivienda o local comercial, por lo que habrá que dotarla igualmente de la aparamenta de protección que el reglamento eléctrico en baja tensión obliga a su uso.

Toda esta aparamenta de protección se ubicará dentro de una caja o envolvente protectora con un grado de protección mínimo IP 30 según UNE 20.324 e IK07 según UNE-EN 50.102, llamada también cuadro general de protección (CGP), que se colocará en el interior del habitáculo o cabina del vehículo fácilmente localizable.

Dispositivos de protección eléctricos

Figura 10. Dispositivos de protección

En el CGP estarán incluidos los siguientes elementos:

Interruptor principal o general:

Toda la instalación eléctrica interna debe llevar un interruptor principal que corte todos los conductores activos, comprendiendo el neutro, si lo hubiera, situado dentro del vehículo.

Interruptor diferencial:

Elemento que protegerá la instalación y a los usuarios contra posibles contactos indirectos y corrientes de fuga.

Los interruptores diferenciales están disponibles en diferentes intensidades nominales según las necesidades de la instalación (25, 40 y 63 A) y con distintas intensidades diferenciales de desconexión o sensibilidad (30, 100, 300, 500, 1000 mA).

Pequeños interruptores automáticos (PIA), o también llamados magnetotérmicos:

En la cabecera de cada circuito interior se colocará un PIA para proteger la instalación contra sobrecargas y cortocircuitos. Habrá tantos PIA's como circuitos distintos existan en el interior del vehículo.

Igualmente los interruptores automáticos están disponibles en diferentes intensidades nominales (10, 16, 20, 25, 40 y 63 A) con valores nominales de poder de corte de 3, 6, 10 y 15 kA.

Borne de protección o tierra

Por último la CGP dispondrá de un borne de tierra que irá conectada a la masa del vehículo y de donde partirá el conductor de protección de cada circuito interior.

Todos estos dispositivos están definidos en el correspondiente plano que contiene el esquema unifilar de la instalación y que se incluye como anexo en este tutorial.

 

1.6- Líneas eléctricas interiores

La instalación interior estará formada por distintos circuitos independientes, gobernados en la cabecera por un dispositivo de conexión distinto e independiente (PIA) para cada circuito, si las necesidades de distribuir la carga total del sistema así lo aconseja.

Para el cableado se utilizarán los siguientes tipos de cables:

Cable unipolar con conductor flexible aislado, sin cubierta, tipo H07 V-K, dentro de conducto o tubo no metálico;

Cable unipolar con conductor rígido cableado aislado, sin cubierta, con un mínimo de 7 hilos H07 V-R, dentro de conducto no metálico;

Cables flexibles, bajo cubierta reforzada de policloropreno, o elastómero sintético equivalente, tipo H05 RN-F.

Para el cálculo de la sección de los cables en una instalación eléctrica realizada en vehículos, se adjunta la siguiente tabla donde, en función de la longitud del cable de alimentación requerido y la intensidad de corriente que debe suministrar (amperaje), se obtiene la sección correcta de cable que se ha de instalar.

 

Intensidades admisibles de cables de cobre

Secciones de cable (mm2) en función de la intensidad de corriente y longitud del cable

La tabla adjunta garantiza, para el caso que se use cables de cobre, una caída de tensión en toda la longitud del cable menor a 0,5 V, debido a la resistencia propia del mismo.

En la tabla anterior, la medida de la sección del cable se proporciona en  mm2, unidad de medida utilizada en la unión europea para los cables eléctricos.

No obstante, es frecuente encontrar los valores de secciones de cable en la unidad de medida  AWG (American Wire Gauge), que es la empleada precisamente en los Estados Unidos de América.

A continuación, se proporciona para mayor utilidad una tabla de conversión de AWG a mm2 para su conocimiento y uso:

AWG

mm2

16

1,5

14

2,5

12

3,5

10

6

8

8

6

12

4

20

2

35

0

50

00

70


 

Los conductos o tubos deberán cumplir con la Norma UNE 20-334 /l o equivalente. El tipo en polietileno no debe ser utilizado.

La sección de los conductores deberá ser adecuada a la carga a alimentar dentro del vehículo y en todo caso no debe ser inferior a 1,5 mm2.

Las canalizaciones que están sometidas a vibraciones deberán protegerse contra los daños mecánicos mediante emplazamiento adecuado o por protecciones complementarias.

Las canalizaciones que atraviesen paredes metálicas deberán protegerse mediante manguitos apropiados, sólidamente fijados. Deberán tomarse todo tipo de precauciones para evitar los daños mecánicos debidos a los cantos vivos y a las superficies abrasivas.

Las canalizaciones de baja tensión deberán estar separadas en todo momento de las de muy baja tensión (corriente continua y tensión de 12V, 24V o 48V) y deben disponerse de tal forma que se evite todo riesgo de contacto físico entre las dos canalizaciones. De esta forma, todas las bases de tomas de corriente alimentadas a muy baja tensión deberán llevar la indicación clara de su tensión y ser de forma que no permita la entrada de una clavija de las de baja tensión.

A menos que estén dispuestos dentro de conductos, los cables deberán estar sujetos mediante elementos aislantes de fijación a intervalos no superiores a 400 mm para los recorridos verticales y a no más de 250 mm para los recorridos horizontales.

Los cables inaccesibles deberán ser continuos (sin empalmes).

Las conexiones y uniones de cables, deberán efectuarse dentro de cajas, concebidas expresamente para este fin con el objeto de poder proporcionar una protección mecánica. Si la cubierta de la caja pudiera retirarse sin ayuda de herramientas, las conexiones de su interior deberán estar aisladas.

Ninguna canalización deberá situarse ni atravesar ningún compartimento destinado a la colocación de los recipientes de gas.

 

- Conductor de protección:

Todas las líneas interiores que se distribuyan por el interior del habitáculo o cabina del vehículo dispondrán de un conductor adicional de protección unido al borne de protección del vehículo situado en la CGP. Este conductor de protección también estará unido a las masas de los materiales eléctricos y a los contactos de protección de las bases de toma de corriente que estén distribuidas a lo largo del habitáculo del vehículo.

La sección nominal de los conductores de protección no deben ser inferiores a 4 mm2 si es de cobre o que tenga, si es de otro material, una conductividad y una resistencia mecánica equivalentes.

Si la autocaravana o vehículo está construido esencialmente de material aislante, estas prescripciones no se aplicarán a las partes metálicas aisladas que, en caso de defecto, no sean susceptibles de quedar bajo tensión.

Por último, los conductores de la instalación deberán ser fácilmente identificables, especialmente por lo que respecta al conductor neutro y al conductor de protección . Esta identificación se realizará por los colores que presenten sus aislamientos. Cuando exista conductor neutro en la instalación o se prevea para un conductor de fase su pase posterior a conductor neutro, se identificarán éstos por el color azul claro. Al conductor de protección se le identificará por el color verde-amarillo. Todos los conductores de fase, o en su caso, aquellos para los que no se prevea su pase posterior a neutro, se identificarán por los colores marrón o negro.

 

1.7- Aparamenta y aparatos de uso

La pequeña aparamenta, tal como interruptores, portalámparas y análogos, deberán ser de un modelo que no tenga partes metálicas accesibles.

Las bases de las tomas de corriente de baja tensión deberán llevar un borne para la conexión del conductor de protección. Esta regla no se aplica a las tomas de corriente alimentadas individualmente por un transformador de separación.

Cuando dentro de la misma autocaravana se prevean también bases de toma de corriente a muy baja tensión, todas las bases de la instalación de baja tensión deberán ser de un tipo que no admitan la conexión de las clavijas destinadas a las bases de muy baja tensión.

Cuando una base de toma de corriente u otra aparamenta se encuentre en un emplazamiento expuesto a los efectos de la humedad, deberá ser construido o dispuesto de forma que posea un grado de protección no inferior a IP55.

 

- Aparatos de utilización:

Todo aparato que está permanentemente conectado a las canalizaciones fijas, deberá estar accionado por un interruptor instalado sobre el aparato o en su proximidad, a no ser que el aparato lleve ya de origen un interruptor incorporado.

Las luminarias deberán estar preferentemente fijadas a la estructura o a los revestimiento interiores de la autocaravana.

Cuando se instalen luminarias suspendidas, deberán tomarse las disposiciones convenientes para la fijación de las luminarias, con el fin de evitar cualquier daño al cable flexible y a las luminarias durante el desplazamiento de la autocaravana.

Los accesorios asociados a las luminarias suspendidas deberán ser apropiados a la masa suspendida.

Las luminarias destinadas a funcionar a dos tensiones diferentes deberán cumplir con los siguientes requisitos:

estar equipadas de portalámparas diferentes para cada tensión;

llevar junto a cada portalámparas las indicaciones claras e indelebles de la potencia y tensión;

estar concebidas de forma que el funcionamiento simultáneo de las dos lámparas no cause ningún daño o avería;

estar concebidas de manera que se evite todo contacto entre los circuitos de baja tensión y muy baja tensión;

presentar una disposición de los bornes de baja tensión y de muy baja tensión, que garantice una separación satisfactoria de las canalizaciones de baja tensión y de muy baja tensión;

estar concebidas de manera que las lámparas no puedan montarse en los portalámparas previstos para otra tensión.

2- Proceso de cálculo

2.1- Cálculo de las cargas eléctricas

El primer paso en el proceso de diseño de una instalación eléctrica que se instale en el interior de un vehículo es el cálculo de la potencia total instalada y el consumo de corriente, con el objeto de poder dimensionar correctamente la batería auxiliar.

Recordemos que en el interior del vehículo se instalarán elementos y consumidores eléctricos que funcionen con corriente alterna (CA) y voltaje de uso típicos en viviendas (120/240V), que como ya se mencionó son mucho más baratos que los que funcionan a 12V y corriente continua (CC).

Para ilustrar cómo llevar a cabo el diseño de una instalación eléctrica en un vehículo se seguirá una instalación tipo de ejemplo compuesta por dos puntos de luz, dos tomas de corriente y un equipo frigorífico a instalar en el habitáculo de un vehículo vivienda o casa móvil.

En la siguiente tabla se indican las potencias de funcionamiento de cada aparato, horas de funcionamiento previsto e intensidad de consumo. Recordar que el cálculo de la intensidad de corriente (I) es inmediato a partir de la potencia (P) y el voltaje (V) de funcionamiento. En efecto,

Para líneas monofásicas, I =  

P

————

V · cosØ


 

Donde la tensión (V) a la salida del inversor será de 230V, y suponiendo un factor de potencia (cosØ) igual a la unidad.

Aparatos

Potencia
(W)

Intensidad
(A)

Horas de funcionamiento (h)

Factor simultaneidad

Capacidad requerida
(A·h)

Focos halógenos

2

20

0,09

5

1

0,90

Tomas de corriente

2

-

5

4

1

40

Frigorífico

1

180

0,78

8

1

6,24

Suma Total

 

 

 

 

 

47,14

Margen

 

 

 

 

 

x 1,25

Demanda en A·h

 

 

 

 

 

58,92


Tabla 2. Demanda eléctrica de la instalación

 

2.2- Selección de la batería

Una vez calculado en el apartado anterior la demanda eléctrica exigida por la instalación a proyectar (ver Tabla 2), el siguiente paso es seleccionar la batería auxiliar para dar servicio a la demanda eléctrica.

Según la Tabla 2 anterior, la demanda total de corriente calculada es de 58,92 Ah, por lo que a partir de consulta de catálogos de baterías sería suficiente con la instalación de una batería auxiliar de tipo GEL 12V 65Ah.

Por otro lado, para estimar el tiempo de funcionamiento de la batería elegida con el vehículo parado, se aplica el siguiente método de cálculo:

Capacidad de la batería elegida: 65Ah

Voltaje de salida de la batería: 12V

Potencia demanda: 200W (iluminación y frigorífico)

Tiempo de funcionamiento de la batería  = 

65 x 12

 =  3,9 horas

————

 

200


 

Evidentemente, si se eligiera una batería con una capacidad de suministro mayor (ejemplo, 85Ah), el tiempo de funcionamiento de la batería también sería mayor. En ese caso:

Tiempo de funcionamiento de la batería  = 

85 x 12

 =  5,1 horas

————

 

200


 

2.3- Cálculo de las líneas interiores

El cálculo de una línea interior consistirá en determinar la intensidad de corriente máxima que circula por ella, con objeto de determinar la sección de cable adecuada, y su longitud máxima permitida para esa sección de cable, con objeto de mantener la caída de tensión dentro de unos valores admisibles.

En primer lugar habrá que identificar las distintas líneas o circuitos que conforman la instalación interior.

En el ejemplo que se sigue se identifican tres circuitos independientes:

Circuito 1 (C1), que alimenta los focos para la iluminación interior;

Circuito 2 (C2), que da servicio a las tomas de corriente;

Circuito 3 (C3), para alimentar el aparato frigorífico.

 

- Intensidad de circuito:

Para el cálculo de la intensidad (I) que circula por cada circuito se emplea la siguiente formulación, según la potencia (P) instalada:

Para líneas monofásicas en corriente alterna, I =  

P

————

V · cosØ


 

Donde la tensión (V) a la salida del inversor será de 230V, y se supone un factor de potencia (cosØ) igual a la unidad.

Con estos valores se tienen las siguientes intensidades de circuito según los valores de la demanda eléctrica de la Tabla 2:

Circuito

Intensidad (A)

C1

0,18

C2

5

C3

0,78


Tabla 3. Intensidades de circuito ( I circuito )

 

Las intensidades máximas admisibles para los cables, se regirán en su totalidad por lo indicado en la Norma UNE 20.460 -5-523 o su equivalencia en la normativa internacional. Se adjunta la tabla donde se indican las intensidades máximas admisibles según la sección del cable y la naturaleza de su aislamiento.

 

Intensidades admisibles de cables de cobre

Tabla 4. Intensidades admisibles (A) al aire 40° C. Nº de conductores con carga y naturaleza del aislamiento

 

En todos los casos se utilizará un cable unipolar de cobre flexible aislado de 1,5 mm2 de sección, sin cubierta, tipo H07 V-K, dentro de conducto o tubo de PVC. Para este tipo de cable e instalación la intensidad máxima admisible del cable es de 11 A, superior a las intensidades que circulan por cada circuito

Para instalaciones superficiales, como es el caso, los tubos protectores serán rígidos y para la selección del diámetro tubo se utilizará la siguiente tabla donde se indican los diámetros exteriores mínimos de los tubos en función del número y la sección de los conductores o cables a conducir.

 

Diámetros exteriores mínimos de los tubos protectores para cables eléctricos

Tabla 5. Diámetros exteriores mínimos de los tubos protectores.

 

De la tabla anterior, al constituirse cada circuito por tres cables (fase de 1,5 mm2 + neutro de 1,5 mm2 + protección de 4 mm2) se elegirá un tubo de diámetro 20 mm.

 

Por último, faltaría por calcular la longitud máxima de cable por cada circuito para limitar su caída de tensión admisible entre el origen de la instalación y cualquier punto de utilización. Esta caída de tensión máxima admisible está limitada al 3%.

La expresión que calcula la longitud máxima (Lmáx) de cada circuito en función de la caída de tensión máxima (ΔUmáx) admisible es la siguiente:

Lmáx =  

56 · V · S

  ·

 ΔUmáx

—————

2 · P


donde,

V es la tensión de uso (230V)

S es la sección de cable (en mm2)

P es la potencia del circuito (en W)

ΔUmáx es la máxima caída de tensión (3%)

Donde se deberá comprobar que la longitud del tendido de cable para cada circuito no sea mayor que la Lmáx calculada según la expresión anterior.

No obstante, en aplicaciones de vehículos las longitudes de cables en las instalaciones no son de gran longitud en comparación con otras aplicaciones, como la construcción, por lo que las caídas de tensión debida a la longitud del cableado siempre serán despreciables.

En la siguiente tabla se indican los resultados para cada circuito de la instalación:

Circuito

Sección de cable
(fase + neutro)

Sección cable de protección

Diámetro tubo protector

C1

1,5 mm2

4 mm2

20 mm

C2

1,5 mm2

4 mm2

20 mm

C3

1,5 mm2

4 mm2

20 mm


Tabla 6. Secciones de cable y diámetros del tubo protector

 

2.4- Dispositivos de protección

- Protección contra sobreintensidades (sobrecargas y cortocircuitos):

Se utilizarán pequeños interruptores automáticos (PIA) o magnetotérmicos, cuya intensidad nominal deberá cumplir que:

sea mayor que la intensidad de consumo del circuito que protege ( I circuito )

sea menor que la intensidad máxima del conductor o cable del circuito que protege ( I máx. cable ).

Es decir,

I máx. cable > I PIA > I circuito

En todos los casos, para este ejemplo se utilizarán interruptores automáticos de 10A de intensidad nominal y de 6 kA de poder de corte.

- Protección contra contactos indirectos:

Se utilizará un interruptor diferencial de 25A de intensidad nominal y sensibilidad de salto de 300 mA.

 


ANEXOS


A.1- Esquema Unifilar de la instalación

Esquema unifilar de la instalación eléctrica en un vehículo

Anexo 1. Esquema Unifilar de la instalación

 

A.2- Tabla para la elección de la sección de cables eléctricos

Intensidades admisibles de cables de cobre

Anexo 2. Secciones de cable (mm2) en función de la intensidad de corriente y longitud del cable

 

A.3- Tabla de conversión para unidades de sección de cable:   AWG ↔ mm2

AWG

mm2

16

1,5

14

2,5

12

3,5

10

6

8

8

6

12

4

20

2

35

0

50

00

70


 

 

>> FIN DEL TUTORIAL

 

 

Volver a
Tutoriales

 

 

Información y consulta:

Hermenegildo Rodríguez Galbarro

info@ingemecanica.com - Tel. 646 166 055

Aviso Legal  •  Política de Privacidad  •  Política de Cookies