— Tutorial nº 58 —

Recomendaciones para la Ejecución
de Uniones Soldadas

Índice de contenidos:

1- Generalidades

2- Recomendaciones para disminuir las tensiones residuales

3- Trabajos preparatorios

4- Procedimientos de soldadura empleados

5- Espesores de garganta

6- Ejecución del cordón de soldadura

7- Empalme de vigas con soldadura

8- Tratamientos térmicos

9- Excentricidades y solapes

10- Trabajos de reparación y marcado de la soldadura

11- Inspecciones finales

 


DESARROLLO DEL CONTENIDO


1- Generalidades

Para la ejecución de trabajos de soldadura, tanto para soldaduras realizadas sobre tuberías, o entre estructuras y soportes metálicos, éstas deberán ejecutarse conforme a lo dictado en los códigos ASME B31.3, ASME II (aplicable a los materiales de aporte) y ASME IX (para las homologaciones de los procedimientos y de los operarios soldadores).

Para el caso de una construcción civil, el Contratista que ejecuta la obra deberá presentar a la Supervisión de Obra o Dirección Facultativa para su aprobación, y previo al comienzo de los trabajos de soldadura, todos los procedimientos de soldadura que se vayan a emplear en el desarrollo de los trabajos que conforman el proyecto a ejecutar.

Todos los soldadores deberán homologarse ante un Organismo de Control Autorizado (O.C.A.) y entregar el certificado correspondiente antes del comienzo de los trabajos, de acuerdo con lo dictado en la Norma ASME IX. Asimismo, a cada operario soldador se le asignará un código de identificación (formado por un número o letra) que deberá marcar en todas y cada una de las soldaduras que realice. De esta manera se mantendrá una trazabilidad de todas las soldaduras ejecutadas en la obra.

De todos los procedimientos de soldadura que se practiquen en la obra deberán realizarse su correspondiente homologación y presentar dicho informe a la Supervisión de Obra o Dirección Facultativa que deberá dar su aprobación. Todas estas homologaciones, tanto de procedimientos como de soldadores, se harán a través de Organismo de Control Autorizado (O.C.A.), y se enviará copia de las mismas a la Supervisión de Obra.

2- Recomendaciones para disminuir las tensiones residuales

Las tensiones residuales en las uniones soldadas se originan como consecuencia del aporte de calor que se realiza durante la ejecución de la soldadura y aparecen una vez solidificado el cordón y enfriada la pieza.

Estas tensiones son autoequilibradas, esto es, aparecen a la vez tensiones residuales de tracción y de compresión (generalmente, cerca de la soldadura son de tracción y conforme se aleja del cordón aparecen tensiones residuales de compresión).

Las tensiones residuales pueden mermar de forma considerable la capacidad resistente de la unión soldada. De hecho, las tensiones residuales que sean de tracción favorecen una posible rotura frágil del cordón de soldadura, reduciendo su resistencia a fatiga. Por otro lado, las zonas sometidas a tensiones residuales que sean de compresión tienen más tendencia a que aparezcan fenómenos de inestabilidad, reduciendo de esta forma su capacidad portante.

Por último, generalmente las tensiones residuales llevan aparejadas también la aparición de deformaciones residuales que alteran significativamente la geometría inicial del conjunto soldado.

Por todo ello, antes de ejecutar una unión soldada se deberá tener en cuenta las siguientes consideraciones cuyo objetivo es tratar de limitar la aparición de estas tensiones residuales.

A)  Recomendaciones en el diseño

      A.1)  Soldaduras a tope:

- La unión deberá ser continua en toda su longitud.

- La penetración será completa para lo que se realizará la preparación de bordes y separación entre piezas adecuada para asegurar una penetración total del cordón.

- Con objeto de evitar concentraciones de tensiones, el acuerdo entre piezas de distinta sección deberá ser gradual y suave, limitándose la pendiente en la unión a no más del 25%.

 

Soldadura a tope de piezas de distinta sección

Figura 1. Soldadura a tope de piezas de distinta sección

 

      A.2)  Soldaduras en ángulo:

- Para soldaduras en ángulo se establecen los siguientes valores límites de espesor de garganta y de longitud de cordones:

La garganta de una soldadura en ángulo que une dos perfiles de espesores e1 y e2 (e1 ≤ e2) no deberá sobrepasar los valores límites que se indican en la Tabla 1 siguiente.

El valor de garganta (a) que aparece en la tabla se corresponde al valor de espesor de pieza e1 que no debe ser menor que el mínimo que se obtenga correspondiente al espesor e2, y siempre que este valor mínimo no sea mayor que el valor máximo obtenido para el espesor e1.

 

Soldadura en ángulo

Figura 2. Soldadura en ángulo

La longitud eficaz (l) de los cordones para soldadura lateral en ángulo con esfuerzo axial deberá estar comprendida entre los valores siguientes:

Como valor mínimo:  l ≥ 15·a,    o bien    l ≥ b

Como valor máximo:  l ≤ 60·a,    o bien,    l ≤ 12·b

Se entiende como longitud eficaz (l) de una soldadura a la que resulta de restar a la longitud real del cordón, la longitud de los cráteres extremos que se forman al establecer el arco y al retirarlo. Se admite que la longitud de cada cráter sea igual al espesor de garganta (a).

l = lreal - 2·a

 

longitud eficaz del cordón de soldadura

Figura 3. Longitud eficaz, l

A continuación se exponen los valores límites del espesor de garganta de una soldadura en ángulo en función de los espesores de las piezas a unir:

Tabla 1. Valores límite de la garganta de una soldadura en ángulo
Espesor de la pieza (mm.) Garganta, a
Valor máximo (mm.) Valor mínimo (mm.)
4.0-4.2 2.5 2.5
4.3-4.9 3 2.5
5.0-5.6 3.5 2.5
5.7-6.3 4 2.5
6.4-7.0 4.5 2.5
7.1-7.7 5 3
7.8-8.4 5.5 3
8.5-9.1 6 3.5
9.2-9.9 6.5 3.5
10.0-10.6 7 4
10.7-11.3 7.5 4
11.4-12.0 8 4
12.1-12.7 8.5 4.5
12.8-13.4 9 4.5
13.5-14.1 9.5 5
14.2-15.5 10 5
15.6-16.9 11 5.5
17.0-18.3 12 5.5
18.4-19.7 13 6
19.8-21.2 14 6
21.3-22.6 15 6.5
22.7-24.0 16 6.5
24.1-25.4 17 7
25.5-26.8 18 7
26.9-28.2 19 7.5
28.3-31.1 20 7.5
31.2-33.9 22 8
34.0-36.0 24 8

 

Exceptuando los casos de uniones sometidas a cargas dinámicas, o estructuras expuestas a la intemperie o ambientes agresivos, o temperaturas inferiores a 0°C, o bien en uniones estancas, las uniones longitudinales de dos piezas podrán realizarse mediante soldaduras discontinuas.

En este caso, la ejecución de las uniones discontinuas pueden ser de dos tipos: correspondientes o alternadas.

En estos casos, los valores límites recomendados son los siguientes:

- Como valor mínimo:

l ≥ 15·a

l ≥ 40 mm

- Como valor máximo:

s ≤ 15·e,   para barras comprimidas

s ≤ 25·e,   para barras a tracción

s ≤ 300 mm,   en todo caso.

siendo e el espesor mínimo de los perfiles unidos.

 

Unión soldada discontinua correspondiente

Figura 4. Unión discontinua correspondiente

 

Unión soldada discontinua alternada

Figura 5. Unión discontinua alternada

B)  Recomendaciones en la ejecución

Como norma general, para disminuir las tensiones y deformaciones residuales se debe:

- En general, no embridar las piezas a soldar.

- Distribuir las soldaduras lo más simétricamente posible.

- Emplear el mínimo de material de aporte posible.

- Cuando participen más de un soldador, ejecutar todos los cordones al mismo tiempo.

- Para las soldaduras a tope con penetración completa se recomienda el siguiente orden de disposición de los cordones:

 

Orden de disposición de los cordones de soldadura

Figura 6. Orden de disposición de cordones

- En la ejecución de soldaduras continuas se recomienda seguir el siguiente orden de comienzo:

 

Orden de comienzo de soldaduras continuas

Figura 7. Orden de comienzo de soldaduras continuas

- Si la longitud de la soldadura es superior a 1 metro, se recomienda usar el denominado "paso de peregrino".

 

Soldaduras a paso de peregrino con un soldador

Figura 8. Soldaduras a "paso de peregrino" con un soldador

 

Soldaduras a paso de peregrino con dos soldadores

Figura 9. Soldaduras a "paso de peregrino" con dos soldadores

 

- Uniones planas de soldaduras que se cruzan:

 

Ejecución de soldaduras que se cruzan

Figura 10. Ejecución de soldaduras que se cruzan

 

- Unión en ángulo de soldaduras que se cruzan:

 

Ejecución en ángulo de soldaduras que se cruzan

Figura 11. Ejecución en ángulo de soldaduras que se cruzan

De la anterior figura se deduce que la unión b) es incorrecta porque el agujero origina una concentración de tensiones, mientras que la unión d) es también incorrecta dado que en el cruce de los tres cordones se origina un estado triaxial de tensiones que favorece la rotura frágil. Para ello se puede optar por la solución c) donde el efecto concentrador del agujero es menos perjudicial.

3- Trabajos preparatorios

Entre los trabajos preparatorios a realizar antes de ejecutar una unión soldada está la preparación de bordes de las piezas a unir.

La preparación de bordes para soldar se realizará mediante mecanizado siempre que sea posible. El oxicorte es aceptable en algunos casos, por ejemplo, para soldar piezas de acero al carbono, o piezas de acero de baja aleación. En este último caso es imprescindible precalentar las piezas a soldar, de acuerdo con ASME B31.3, y una vez cortado, eliminar alrededor de 1,5 mm de material de la pieza mediante mecanizado.

Los bordes a unir mediante soldadura se limpiarán cuidadosamente eliminando toda la herrumbre o suciedad, y en especial las manchas de grasa y pintura. En aplicaciones de construcción civil y obras exteriores se procurará que durante el soldeo se mantengan bien secos y protegidos de la lluvia tanto los bordes de la costura como las piezas a soldar. Se tomarán las debidas precauciones para proteger los trabajos de soldeo contra el viento y en especial contra el frío, no realizándose ninguna soldadura cuando la temperatura ambiente descienda de cero grados (0 ºC).

Las tolerancias permitidas para las dimensiones de biseles practicados en la preparación de bordes y en la garganta, así como para la longitud de las soldaduras, serán las siguientes:

hasta 15 mm. ............................................. ± 0,5 mm.

de 16 a 50 mm. ......................................... ± 1 mm.

de 51 a 151 mm. ....................................... ± 2 mm.

mayor de 151 mm. .................................... ± 3 mm.

Estará totalmente prohibido el uso de oxicorte para aceros inoxidables, aceros resistentes al calor y materiales no ferríticos.

Los puntos de soldadura que a veces se practica para alinear tuberías o piezas que se pretenden soldar, deberán ser eliminados de manera que no lleguen a formar parte del cordón de soldadura final.

El tipo de la corriente eléctrica que se vaya a emplear y el valor del amperaje tienen que estar de acuerdo con las recomendaciones del fabricante de los electrodos y la clasificación AWS, adaptándose en todo caso a los parámetros utilizados en el proceso de homologación del procedimiento de soldadura.

4- Procedimientos de soldadura empleados

De entre los distintos tipos de procedimientos de soldadura existentes, los de mayor aplicación, tanto industrial como en edificación y obra civil, son los siguientes:

a)   Soldadura por arco manual con electrodo metálico revestido (SMAW);

b)   Soldadura por arco eléctrico con varilla de tungsteno en atmósfera de gas inerte (GTAW ó TIG);

c)   Soldadura por arco eléctrico con varilla desnuda (GMAW ó MIG/MAG);

d)   Soldadura Oxiacetilénica (OW);

e)   Soldadura por arco sumergido automático (SAW).

La soldadura que se practique entre piezas de acero al carbono se realizará con penetración completa por el procedimiento del arco manual con electrodo revestido. Las tres primeras pasadas se harán con electrodos de diámetro 2,5 mm, y las siguientes con electrodos de diámetro 3,25 mm. Podrá también utilizarse el procedimiento TIG a plena penetración en la pasada de raíz.

Las soldaduras de aceros de baja aleación, se realizarán mediante el procedimiento TIG a plena penetración en la pasada de raíz. En el caso de soldadura de tuberías y conductos, durante el proceso de soldadura TIG se purgará interiormente la tubería con argón, de acuerdo con el código. Las sucesivas pasadas de relleno pueden hacerse empleando el procedimiento de arco manual con electrodo revestido.

Las soldaduras de aceros inoxidables se realizarán por el procedimiento TIG, a plena penetración en la pasada de raíz. En el caso de soldadura de tuberías y conductos, durante el proceso de soldadura TIG se purgará interiormente la tubería con argón, de acuerdo con el WPS previamente aprobado. Las sucesivas pasadas de relleno pueden hacerse empleando el procedimiento de arco manual con electrodo revestido.

Estarán totalmente prohibidas las soldaduras con anillo de respaldo. Todos los materiales consumibles en el proceso de soldadura estarán elegidos para cada procedimiento de acuerdo con los códigos citados.

 

Respecto al manejo de electrodos, cabría destacar las siguientes recomendaciones:

a)   Deben ser almacenados bajo condiciones de temperatura y de un ambiente seco adecuado, y nunca debe permitirse que absorban humedad;

b)   Todos los soldadores llevarán consigo una estufa portátil, donde dispondrán los electrodos a consumir durante su periodo de trabajo;

c)   Todos los electrodos que no hayan sido usados deberán ser devueltos al almacén al final de cada turno y ser almacenados en la estufa adecuada;

d)   El secado de los electrodos será llevado a cabo de acuerdo con las instrucciones del fabricante.

Cuando se practique soldadura en tuberías y conductos en los cuales haya sido necesario la introducción de "pigs" para limpieza del producto, varillas termométricas, baquetas, etc., las soldaduras tendrán un resalte interior máximo de 1,5 mm.

5- Espesores de garganta

Recordemos que el espesor de garganta (a) debe tomarse igual a la altura del mayor triángulo que pueda inscribirse en la sección del metal de aportación, medida normalmente al lado exterior de dicho triángulo, como se muestra en la figura adjunta.

 

Espesor de garganta en la soldadura

Figura 12. Espesor de garganta

Aunque en la Tabla 1 del apartado 2 se establecen de forma más detallada los valores límites para el espesor de garganta (a) de una soldadura en ángulo, como norma general, el espesor de garganta (a) de un cordón de soldadura en ángulo no será superior a 0,7 · tmín,  siendo tmín el espesor de la pieza más delgada a unir.

Por otro lado, el espesor de garganta (a) de un cordón en ángulo, no será tampoco inferior a los siguientes valores:

3 mm cuando se deposite en chapas de hasta 10 mm de espesor;

4,5 mm cuando se deposite sobre piezas de hasta 20 mm de espesor;

5,6 mm cuando se deposite sobre piezas de más de 20 mm de espesor.

6- Ejecución del cordón de soldadura

Como se indicaba en la Figura 7 del apartado 2, cuando la longitud del cordón soldadura a ejecutar no tenga una longitud superior a 500 mm, para su realización se comenzará por un extremo y se seguirá hasta el otro.

Si dicha longitud está comprendida entre 500 y 1000 mm, el cordón se ejecutará en dos tramos, comenzando por el centro.

Para longitudes mayores de 1000 mm se ejecutará por cordones parciales, terminando cada tramo dónde comenzó el anterior.

Las esquinas de chapas que coincidan con puntos de cruce de cordones, se recortarán para evitar dicho cruce.

En todo caso, no se realizará una soldadura a lo largo de otra ya ejecutada.

Asimismo, cuando las piezas a soldar formen esquina en sus extremos, los cordones de soldadura practicados no deberán terminar en las propias esquinas de las piezas o de elementos de las mismas, sino que deberían prolongarse alrededor de la esquina, siempre que la prolongación pueda hacerse en el mismo plano que el cordón, y en una longitud al menos igual a tres veces la garganta (a) del cordón.

 

- Cordones de soldadura a tope:

Cuando el cordón que se ejecuta es de soldadura a tope y además se realiza con penetración completa, entonces éste no es necesario dimensionarlo. Las soldaduras se dicen que son de penetración completa, cuando el metal de aporte ocupa sin defectos todo el espesor de las piezas a unir.

Los cordones a tope se pueden realizar entre piezas dispuestas en prolongación o en T, según se indica en la siguiente figura.

 

Soldaduras a tope con penetración completa

Figura 13. Soldaduras a tope con penetración completa

Por el contrario, se dice que un cordón de soldadura es de penetración parcial cuando el espesor ocupado por el metal de aporte es inferior al de las piezas unidas. Los cordones a tope de penetración parcial se dispondrán de forma que se evite la aparición de momentos flectores debido a excentricidades por la disposición de los cordones respecto a la dirección de aplicación de los esfuerzos.

 

Soldadura a tope con penetración parcial

Figura 14. Soldadura a tope con penetración parcial

 

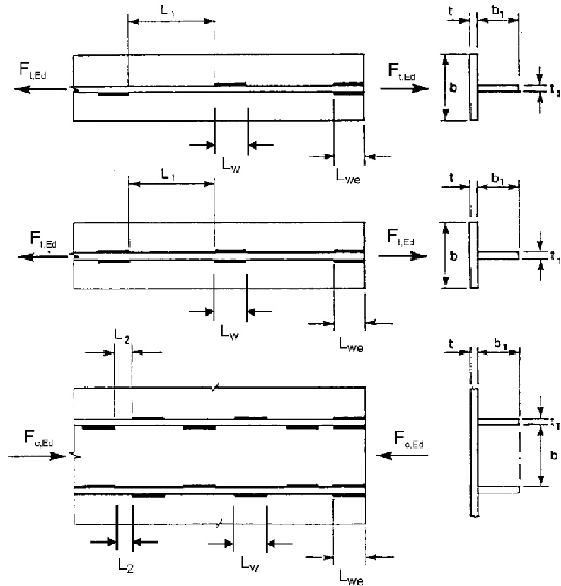
- Cordones discontinuos:

Como norma general se prohíbe el uso de cordones de soldadura discontinuos situados en ambientes con grado de corrosión superior a C2.

Por otro lado, las disposiciones geométricas en caso de emplearse cordones discontinuos se deberán ajustar a lo siguiente:

En los cordones discontinuos la distancia L1 (ver figura adjunta) libre entre extremos de cordones parciales, de la misma o de distinta cara, en piezas sometidas a esfuerzos de tracción será inferior al menor de los siguientes valores: 200 mm ó 16 veces el espesor de la pieza más delgada a unir.

En los cordones discontinuos la distancia L2 (ver figura adjunta) libre entre extremos de cordones parciales, de la misma o de distinta cara, en piezas comprimidas o a cortante será inferior al menor de los siguientes valores: 200 mm, 12 veces el espesor de la pieza más delgada a unir ó 0,25 · b.

La longitud Lw de cada cordón parcial será superior al mayor de los siguientes valores: 6 veces la garganta del cordón ó 40 mm.

La longitud Lwe de cada cordón parcial en los extremos de las piezas a unir será mayor que el menor de los siguientes valores: 0,75 · b  ó bien  0,75 · b1.

 

Disposición de cordones en soldadura discontinua

Figura 15. Disposición de soldadura discontinua

7- Empalme de vigas con soldadura

Antes de realizar el montaje de las vigas, se deberá tener en cuenta las siguientes condiciones generales de ejecución:

1.- Durante el montaje sólo se ejecutarán las soldaduras imprescindibles. En este sentido, las vigas se recibirán del taller con sus extremos preparados y con una capa de imprimación que afecte al perfil y a las uniones que hayan sido realizadas en taller, exceptuando las superficies que tengan que soldarse durante el montaje, en una anchura mínima de 100 mm desde el borde de la soldadura.

2.- El izado de las vigas se hará con dos puntos de sustentación, manteniendo dichos elementos un equilibrio estable.

3.- Las piezas que vayan a unirse con soldadura se fijarán entre sí o a gálibos de armado, de modo que se garantice la inmovilidad durante el soldeo. Asimismo podrá emplearse como medio de fijación, en el caso de fijación de las piezas entre sí, casquillos formados por perfiles en «L» o puntos de soldadura. En ambos casos, los elementos empleados podrán quedar incluidos en la estructura.

¿Qué Opinas de esta Web?

Envía tus comentarios y sugerencias

.

Pulsar aquí para enviarnos tus sugerencias

.

Ya durante los trabajos de montaje de las vigas, se deberá tener en cuenta las siguientes condiciones generales de ejecución:

1.- Se utilizarán electrodos que cumplan las condiciones de calidad siguientes:

Resistencia a tracción del material depositado > 42 kg/mm2.

Alargamiento de rotura > 22%.

2.- Se protegerán los trabajos de soldadura contra el viento y la lluvia. En todo caso, se suspenderá el soldeo cuando la temperatura descienda de 0ºC.

Una vez realizado el montaje y las soldaduras de unión, se limpiarán las zonas de soldadura efectuadas en obra, dando sobre ellas la capa de imprimación, y después del secado de ésta, se procederá al pintado de toda la estructura.

 

- Empalme de vigas de igual canto:

Se realizará con cordón de soldadura a tope en el alma y en las alas. Los empalmes de los perfiles estarán situados respecto al apoyo entre 1/4 y 1/8 de la luz y se realizarán con una inclinación de 60º. Dicha inclinación será aquélla según la cual, el cordón superior de soldadura sea el más próximo al apoyo. No se dispondrá más de un empalme en cada tramo.

 

- Empalme de vigas de distinto canto:

Cuando se trate de unir dos piezas de distinta sección dispuestas en prolongación, la de mayor sección se adelgazará con pendiente no superior al 25 % hasta obtener en la zona de contacto el espesor de la pieza más delgada. La soldadura será continua en toda la longitud de unión, y de penetración completa.

En uniones de fuerza se ejecutará el cordón de soldadura por ambas caras. Cuando el acceso por la cara posterior no sea posible, se realizará la soldadura por medio de chapa dorsal.

 

- Cartelas:

 

Cartelas para encuentro entre vigas

Figura 16. Cartelas para encuentro entre vigas

Para la ejecución práctica de los nudos de encuentro entre barras mediante cartelas, se debe tener en cuenta que:

El ángulo α ≥ 30º.

La sección  x-x  debe tener un espesor tal que su sección sea al menos igual a la de la pieza.

Para no comprobar a pandeo la cartela debe cumplirse que:  d ≤ 5·e,  siendo e el espesor de la cartela.

Los ejes baricéntricos de las barras deben coincidir en un punto.

- Detalles constructivos para la ejecución de uniones soldadas entre vigas de estructuras porticadas:

 

Uniones soldadas de estructuras porticadas

Figura 17. Uniones de estructuras porticadas

8- Tratamientos térmicos

Todos los tratamientos térmicos de precalentamiento, postcalentamiento, distensionado y recocido se efectuarán de acuerdo al Código ASME B31.3, y serán compatibles con los requisitos detallados en los procedimientos de soldadura a utilizar.

PROGRAMA DE COLABORACIÓN

Colabora en el mantenimiento de esta WEB

Podrá emplearse cualquier método adecuado de calentamiento para el precalentamiento de todo tipo de materiales y para el distensionado de aceros al carbono y aceros al cromo molibdeno.

Para determinar la temperatura de precalentamiento, se utilizarán termopares o lápices térmicos. Para el calentamiento en el distensionado de aceros aleados al níquel o cromo-molibdeno férricos se deberán utilizar hornos de mufla cerrados, métodos locales de inducción eléctrica u horno de gas de atmósfera controlada.

Quedará prohibido el empleo de sopletes para distensionar aceros aleados o ferríticos. Para el control de temperaturas en distensionados y recocidos locales, para el caso de tuberías de diámetro superior a 6" se empleará como mínimo dos termopares por soldadura situados diametralmente opuestos y de conformidad con ASME B31.3, y se respetarán los anchos de banda a tratar.

Después de cualquier tratamiento térmico, estará totalmente prohibido cualquier tipo de soldadura adicional o calentamiento sobre las piezas soldadas.

Los tratamientos térmicos se realizarán, a menos que se indique lo contrario por parte de la propiedad, antes de las pruebas hidráulicas para el caso de tuberías y conductos soldados.

9- Excentricidades y solapes

- Excentricidades:

Se procurará no introducir esfuerzos adicionales debido a excentricidades. En este sentido, se tratará que los cordones que se ejecuten se dispongan de forma lo más simétricamente posible que eviten tales excentricidades, dado que en caso contrario traerán consigo la aparición de nuevos esfuerzos adicionales en forma de momentos flectores que van a tener por eje el del propio cordón de soldadura.

 

Excentricidades en uniones soldadas

Figura 18. Excentricidades en uniones soldadas

 

- Solapes:

En uniones a solape, el solape mínimo no será inferior a 5 · tmín, donde tmín es el menor espesor de entre las piezas que se unen, ni a 25 mm si la anterior cantidad resultase inferior.

Si la unión debe transmitir esfuerzos axiles, entonces la buena práctica aconseja disponer de cordones en ángulo frontales en ambos extremos de las piezas solapadas, como se muestra en la figura siguiente.

 

Solapes en uniones soldadas

Figura 19. Solapes en uniones soldadas

10- Trabajos de reparación y marcado de la soldadura

Los defectos inaceptables encontrados en las soldaduras serán eliminados por medio de amolado, burilado o mecanizado. Para su reparación serán empleados los mismos procedimientos de soldadura que los usados inicialmente para su ejecución.

El marcado de las soldaduras será mediante troquelado y/o pintura.

11- Inspecciones finales

El tipo de inspección y el número de uniones soldadas a los que habrá que realizarlas de las totales ejecutadas, serán como mínimo las siguientes, de acuerdo al uso y tipo de servicio a que se destine la instalación final donde se han hecho las soldaduras:

PROGRAMA DE COLABORACIÓN

Colabora en el mantenimiento de esta WEB

(El porcentaje % de radiografiado que se indica en los siguientes apartados, define el número de uniones completas que habrá que inspeccionar respecto al número total de las uniones realizadas.)

a)   Servicios catalogados como categoría "D" según establece ASME B31.3:

(Aquellas instalaciones donde el producto manejado no es inflamable, ni tóxico, ni dañino para los tejidos humanos, y cuya presión de diseño es inferior a 10,5 kg/cm2, y su temperatura de diseño está comprendida entre -29 ºC y 286 ºC.)

Verificación de materiales, comprobación de certificados de calidad, rating de accesorios y espesor de tuberías y accesorios. Extensión: al 100% de los materiales. Requiere informe escrito;

Inspección visual: extensión al 100% de las uniones soldadas, roscadas y bridadas;

Ensayos no destructivos tipo radiografías: extensión al 10% de las uniones soldadas a tope y a encastre (dos exposiciones a 90º);

Ensayos no destructivos tipo líquidos penetrantes: extensión al 100% de las uniones soldadas tipo a encastre;

Ensayos no destructivos tipo ultrasonidos: extensión al 100% de las uniones soldadas tipo injerto.

 

b)   Servicios catalogados como categoría "M" y categoría Normal según establece ASME B.31.3:

(Aquellas instalaciones donde el producto manejado es tóxico para la salud de las personas expuestas, incluso en pequeñas cantidades, por inhalación o por contacto, y los comunes utilizados en refinerías y plantas petroquímicas que no están incluidos dentro de los apartados a) y c) de esta clasificación.)

b.1)   Piezas soldadas construidas en acero al carbono del grupo P-1, según ASME B31.3, que no requiera tratamiento térmico post-soldadura:

Verificación de materiales, comprobación de certificados de calidad, rating de accesorios y espesor de tuberías y accesorios. Extensión al 100% de los materiales. Requiere informe escrito;

Inspección visual: extensión al 100% de las uniones soldadas, roscadas y bridadas;

Ensayos no destructivos tipo radiografías: extensión al 10% de las uniones soldadas a tope y a encastre (dos exposiciones a 90º);

Ensayos no destructivos tipo líquidos penetrantes: extensión al 100% de las uniones soldadas tipo a encastre;

Ensayos no destructivos tipo ultrasonidos: extensión al 100% de las uniones soldadas tipo injerto.

b.2)   Piezas soldadas construidas en aceros de baja y alta aleación de los grupos P-3, P-4, P-5, P-8, P-9A, P-9B, P-10, según ASME B31.3 y del grupo P-1 que requieran tratamiento térmico post soldadura (TTPS) debido al espesor o al servicio (amina y sosa cáustica), y líneas con servicio de Hidrógeno (H2), Sulfhídrico húmedo (SH2), gases licuados del petróleo (LPG), Ácido Fluorhídrico (HF) e Hidrocarburo con trazas de Ácido Fluorhídrico:

Verificación de las tuberías y sus accesorios incluyendo comprobación de materiales haciendo uso de analizadores de aleación o técnicas de análisis alternativos, comprobación de certificados de calidad, rating de accesorios y espesor de tuberías y accesorios. Extensión: al 100% de los materiales. Requiere informe escrito;

Inspección visual: extensión al 100% de las uniones soldadas, roscadas y bridadas;

Ensayos no destructivos tipo radiografías: extensión al 100% de las uniones soldadas a tope y a encastre (dos exposiciones a 90º) después del TTPS, y antes si se requiere. Se emplearán placas radiográficas de sensibilidad D-4 ó similar;

Ensayos no destructivos tipo líquidos penetrantes: extensión 100% de las uniones soldadas tipo a encastre antes y después de TTPS;

Ensayos no destructivos tipo ultrasonidos: extensión al 100% de las uniones soldadas tipo injerto, antes y después de TTPS.

 

c)   Sistemas de tuberías para servicios auxiliares:

(Sistemas de tuberías construidos en acero al carbono, acero galvanizado, materiales plásticos sintéticos, etc., para servicios catalogados como auxiliares dentro y fuera de las áreas de proceso: agua potable, tuberías de sistemas de protección contra incendios, servicios de N2, aire, aire de instrumentos, etc.)

Verificación de las tuberías y sus accesorios, incluyendo comprobación de certificados de calidad, rating de accesorios y espesor de tuberías y accesorios. Extensión al 10% de los materiales. Requiere informe escrito;

Inspección visual: extensión al 100% de las uniones soldadas, roscadas y bridadas;

Ensayos no destructivos tipo radiografía, extensión al 10% de las uniones soldadas a tope y a encastre (dos exposiciones a 90º);

Ensayos no destructivos tipo líquido penetrante: extensión al 100% de los injertos y de las uniones soldadas tipo encastre.

 

Las uniones a radiografiar serán determinadas, bien por la Dirección Facultativa o por la Supervisión de las obras que proponga La Propiedad, pero siempre siguiendo un criterio general de tomar al menos una soldadura de cada procedimiento y de cada posición realizada por cada soldador.

En caso de rechazos superiores al 10% de las uniones realizadas, serán radiografiadas el 50% de las soldaduras ejecutadas, y caso de mantenerse este porcentaje en el mencionado 50%, serán radiografiadas al 100% todas las soldaduras.

Los criterios de aceptación de las soldaduras deberán estar de acuerdo con los requerimientos del código ASME B31.3.

En caso de requerirse tratamiento térmico, el radiografiado será realizado antes y después de dicho tratamiento. En todas las uniones tratadas térmicamente se realizará una medición de durezas. La medición se realizará en tres zonas: en el metal base, a ambos lados y en el material depositado. La medición se realizará con un medidor portátil de dureza Brinell (Telebrineller o similar) según ASTM A-833. Los valores máximos de estas lecturas estarán de acuerdo con lo indicado en el Código ASME.

 

 

>> FIN DEL TUTORIAL

 

 

Volver a
Tutoriales

 

 

Información y consulta:

Hermenegildo Rodríguez Galbarro

info@ingemecanica.com - Tel. 646 166 055

 

 

Aviso Legal  •  Política de Privacidad  •  Política de Cookies