—  Tutorial nº 217  —

Resistencia Mecánica a Fatiga

Índice de contenidos:

1.- Introducción

1.1- Generalidades

1.2- Origen de la rotura por fatiga

2.- Concentración de tensiones

2.1- Generalidades

2.2- Coeficiente de concentración de tensiones

2.3- Ejemplos de cálculo

3.- Fallo por fatiga

3.1- Generalidades

3.2- Diagrama S-N

3.3- Cálculo del límite de fatiga

3.4- Ejemplos de cálculo

4.- Tensiones fluctuantes

4.1- Generalidades

4.2- La resistencia a fatiga bajo tensiones fluctuantes

4.3- Ejemplos de cálculo

 


DESARROLLO DEL CONTENIDO


 

1.-  Introducción

1.1-  Generalidades

Entre piezas y componentes mecánicos que están sometidos a cargas cíclicas o variables, la rotura por fatiga es una de las causas más comunes de agotamiento de los materiales.

En efecto, la resistencia mecánica de un material se reduce cuando sobre él actúan cargas cíclicas o fluctuantes, de manera que transcurrido un número determinado de ciclos de actuación de la carga, la pieza puede sufrir una rotura. El número de ciclos necesarios para generar la rotura de la pieza dependerá de diversos factores, entre los cuales están la amplitud de la carga aplicada, la presencia de entallas, de pequeñas grietas, microfisuras e irregularidades en la pieza, etc.

En el agotamiento por fatiga, los elementos y componentes mecánicos podrán fallar por rotura prematura bajo la acción de tensiones fluctuantes cuyos valores pueden ser incluso muy inferiores al límite de fluencia del material. Es decir, el material podrá fallar sin que su nivel interno de tensiones haya llegado a los valores críticos correspondientes a los originados por esfuerzos de tipo estáticos.

 

 

1.2-  Origen de la rotura por fatiga

La falla por fatiga de los materiales a cargas cíclicas, también está íntimamente relacionado con alguna de las siguientes causas que a continuación se relacionan:

- Presencia de irregularidades o discontinuidades internas (pequeñas grietas, inclusiones de elementos extraños...),

- Irregularidades originadas en los propios procesos de mecanización de las piezas,

- Cambios de sección o de la geometría de las piezas, presencia de chaveteros, orificios, otras irregularidades, etc., o incluso la presencia en la superficie de marcas de fábrica.

rotura por fatiga

En este sentido, la presencia de una pequeña grieta en una pieza, por ejemplo, podrá desencadenar un proceso que culmine con la rotura prematura de la pieza por fatiga.

En efecto, debido a la geometría típica de una grieta, los extremos de ésta suponen puntos de concentración de tensiones. Este hecho va a amplificar el efecto que sobre la pieza tiene la actuación de cargas de tipo cíclicas o variables. Así, las cargas cíclicas originarán un estado tensional interior también de tipo fluctuante que hará progresar a la grieta por sus extremos, debido a que éstos son puntos donde se originan mayores niveles de concentración de tensiones.

De este modo, la grieta irá aumentando progresivamente de tamaño hasta que llega un momento donde el área o sección neta que queda útil en la pieza para resistir es tan pequeña que se produce su rotura repentina.

Como ya se ha señalado anteriormente, para que se produzca la rotura por fatiga, no hace falta solicitaciones que originen niveles elevados de tensiones, sino que éstas pueden ser incluso muy inferiores al propio límite de fluencia del material.

S'n < Sy < Su

donde,

Su = límite de rotura

Sy = límite de fluencia

S'n = límite de fatiga.

 

2.-  Concentración de tensiones

2.1-  Generalidades

Como ya se ha indicado, la resistencia a fatiga de los materiales se ve muy afectada por aquellas zonas o partes del material donde se produzcan concentraciones de tensiones.

Como norma general, se debe tener presente que aparecen concentraciones de tensiones en aquellas zonas de las piezas donde existan irregularidades en su geometría (orificios, esquinas entrantes, cambios de sección...), o bien haya presencia de elementos extraños o inclusiones, etc.

Pero por otro lado, es muy habitual diseñar piezas y componentes mecánicos con este tipo de características, es decir, que presenten secciones o geometrías variables, con esquinas entrantes, agujeros, cambios en las secciones rectas de los elementos, etc.

Ejemplo de piezas que presentan zonas de concentración de tensiones son los ejes giratorios de transmisión, que generalmente poseen rebordes en sus zonas de apoyo para que los cojinetes asienten adecuadamente y puedan soportar carga axial, y además pueden incluir también chaveteros. Otro caso son los pernos de anclaje que presentan un cambio de su sección transversal tanto en la cabeza como en la zona de rosca, etc., etc.

En definitiva, es importante tener presente que cualquier variación en las secciones de una pieza o elemento mecánico constituye una zona especial donde se va a generar posiblemente una concentración de tensiones (también se denominan acumuladores de tensión) que va a afectar a su resistencia mecánica a la fatiga.

 

2.2-  Coeficiente de concentración de tensiones

Con objeto de poder estimar el valor de este incremento de tensión que se produce en las zonas de acumulación de tensiones, se emplea el llamado Coeficiente de concentración de tensiones (Kt).

Este coeficiente representa la relación entre el valor máximo de tensión real alcanzada en la pieza en las zonas de acumulación de tensiones, y el valor nominal de tensión que se obtendría aplicando las ecuaciones elementales para su sección mínima, es decir,

 

σmáx

 

Kt =  


 

 

σo

 


Siendo,

σmáx   el valor de la tensión máxima real alcanzada en la zona de discontinuidad, o zona acumuladora de tensiones

σo   la tensión nominal calculada por las ecuaciones elementales de tensión para la sección transversal mínima de la pieza.

El valor del coeficiente  Kt  va a depender de la geometría de la pieza y del estado de carga a que esté sometida. Su valor puede obtenerse de tablas que han sido obtenidas experimentalmente haciendo uso de procedimientos fotoelásticos para diferentes casos de geometrías y situaciones de carga distintas.

A continuación, se muestran los distintos diagramas de donde se pueden obtener los valores del Coeficiente de concentración de tensiones  (Kt)  para distintas geometrías propuestas y situaciones de carga:

Coeficiente de concentración de tensiones

 

Coeficiente de concentración de tensiones

 

Coeficiente de concentración de tensiones

 

Coeficiente de concentración de tensiones

 

Coeficiente de concentración de tensiones

 

Coeficiente de concentración de tensiones

 

Coeficiente de concentración de tensiones

 

Coeficiente de concentración de tensiones

 

A continuación, se incluyen las tablas que proporcionan los valores del Coeficiente de concentración de tensiones  (Kt)  para el caso de barras o tubos circulares con agujero transversal, y sometidos a flexión.

En este caso, el valor de la tensión nominal por flexión calculado a partir de las ecuaciones elementales de tensión se puede expresar como:

σo = M / Znet  donde el factor  Znet  es un valor reducido del módulo de sección de la barra o tubo, y que se define por la siguiente expresión:

Znet  =  π · A  · (D4 - d4)

32 · D

En la tabla que se adjunta también incluyen los valores de  A. Se podrá utilizar  d=0  para el caso de una barra maciza:

Coeficiente de concentración de tensiones

 

Por último, también se incluye una tabla que proporciona los valores del Coeficiente de concentración de tensiones  (Kt)  para el caso de barras o tubos circulares con agujero transversal, pero sometidos a torsión.

En este caso, el esfuerzo máximo ocurre en el interior del agujero, ligeramente por debajo de la superficie de la barra. El valor de la tensión nominal a cortante (τo) originada por el esfuerzo de torsión vale  τo = T·D/2Jnet  donde  Jnet  es un valor reducido del segundo momento polar del área, que se define por:

 

π · A · (D4 - d4)

 

Jnet =  


 

 

32

 


Como en el caso anterior, en la tabla también se incluyen los valores de  A. Se podrá utilizar  d=0  para el caso de una barra maciza:

Coeficiente de concentración de tensiones

 

2.3-  Ejemplos de cálculo

A continuación se proponen los siguientes ejemplos que pueden servir para ilustrar el efecto que tiene la presencia de discontinuidades en piezas sometidas a tensión.

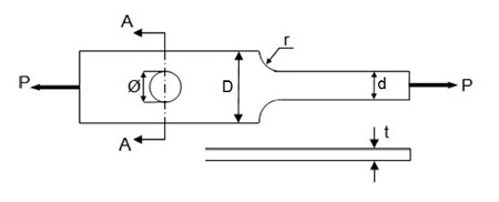
●  EJEMPLO I:

Se trata de una barra, como la que se muestra en la figura adjunta, que está sometida a tensión debido a la acción de un esfuerzo de tracción  P  aplicado.

resistencia a fatiga

La pieza presenta una discontinuidad en su sección (cambia de sección), además de contener un agujero transversal.

De acuerdo a los parámetros que aparecen en la figura adjunta, se proponen los siguientes valores a utilizar para este ejemplo:

d = 60 mm

D = 90 mm

Φ = 20 mm

t = 15 mm

r = 4,25 mm

P = 2500 kg

En primer lugar se va a calcular el incremento de tensión originado por el cambio de la sección transversal de la pieza.

El coeficiente de concentración de tensiones  (Kt)  para este caso se puede obtener de las tablas mostradas en el apartado anterior.

Para este ejemplo se puede utilizar el diagrama D.5 "Barra rectangular con entalles transversales sometida a tensión o compresión simple" mostrado en el apartado anterior. En dicho diagrama se entrará con los siguientes datos, de acuerdo a los valores dados de los parámetros:

r/d = 0,07

D/d = 1,5

Entrando con estos valores en el diagrama D.5 se obtiene el valor para el coeficiente de concentración de tensiones Kt = 2,30

Por otro lado, la tensión nominal en la sección transversal mínima de la pieza se calcula utilizando las ecuaciones elementales para el cálculo de la tensión simple de tracción:

 

P

 

σo =  


 

 

A

 


siendo  P  el esfuerzo de tracción actuante (en este caso, P = 2500 kg),  A  la sección mínima transversal de la pieza (en este caso, A = d·t = 6,0·1,5 = 9,0 cm2). Sustituyendo resulta una tensión nominal de tracción de:

σo = 2500/9,0 = 277,78 kg/cm2

El valor de tensión máxima debido al factor de concentración de tensiones alcanzado en la zona de discontinuidad de la pieza, se calcula aplicando la expresión ya vista en el apartado anterior:

σmáx = σo · Kt

donde,

σmáx   es el valor de la tensión máxima real alcanzada en la zona de la discontinuidad

σo   es la tensión nominal calculada por las ecuaciones elementales de tensión para la sección transversal mínima de la pieza.

Sustituyendo se obtiene la tensión máxima siguiente:

σmáx = σo · Kt = 277,78 kg/cm2 · 2,30 = 638,89 kg/cm2

A continuación se va a calcular el incremento de tensiones que se produce en la zona adyacente al agujero, que también constituye una zona de concentración de tensiones.

resistencia a fatiga

En efecto, en la figura adjunta se puede ver cómo se produce el incremento del nivel tensional en las zonas aledañas al agujero.

El coeficiente de concentración de tensiones  (Kt)  para este caso se puede obtener del diagrama D.1 "Barra con agujero transversal sometida a tensión o compresión simple" mostrado en el apartado anterior. En dicho diagrama se entra con la relación entre el diámetro del agujero y el ancho de la barra:

Φ/D = 20/90 = 0,22

Para estos valores, según el diagrama D.1 se obtiene un valor para el coeficiente de concentración de tensiones  Kt = 2,47

Por otro lado, según las ecuaciones elementales de cálculo, la tensión simple de tracción en la sección transversal de la barra en la zona donde está situado el agujero valdrá:

 

P

 

σo =  


 

 

(D - Φ) · t

 


que sustituyendo valores resulta,

 

2500

 

σo =  


 

 

(9 - 2) · 1,5

 


que resulta finalmente una tensión nominal a tracción de:

σo = 238,10 kg/cm2

El valor de tensión máxima que se alcanza en la sección transversal de la barra donde se sitúa el agujero, se calcula aplicando el factor de concentración de tensiones:

σmáx = σo · Kt = 238,10 kg/cm2 · 2,47 = 588,11 kg/cm2

 

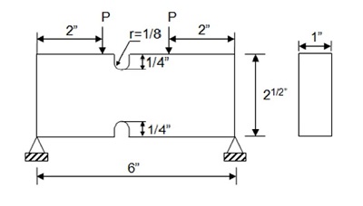
●  EJEMPLO II:

En este segundo ejemplo se trata de calcular la máxima carga  P  que puede soportar la estructura de la figura adjunta, sin que se sobrepase el límite de fluencia del material de la barra en la zona de la muesca.

resistencia a fatiga

Para este ejemplo se considerará que la barra está fabricada de acero SAE 1050 laminado en caliente (Sy = 49.500 psi).

En primer lugar se va a calcular el coeficiente de concentración de tensiones (Kt) para esta geometría y solicitación de carga que se muestran en la figura. Para este ejemplo se puede utilizar el diagrama D.4 "Barra rectangular con ranuras transversales sometida a flexión" mostrado en el apartado anterior. En dicho diagrama se entrará con los siguientes datos:

r/d = (1/8)/2= 0,0625

D/d = 2,5/2 = 1,25

Para estos valores, según el diagrama D.4 se obtiene un valor para el coeficiente de concentración de tensiones Kt = 2,45

Por otro lado, la tensión máxima que podrá soportar la barra vendrá condicionado por su límite de fluencia (Sy):

σmáx = Sy = 49.500 psi

La tensión máxima (σmáx) y la tensión nominal (σo) están relacionado por el factor de concentración de tensiones (Kt), a partir de la expresión ya conocida:

σmáx = σo · Kt

de donde despejando la tensión nominal (σo), se puede obtener el valor de ésta:

σo = σmáx / Kt = 49.500/2,45 = 20.204 psi

Por otro lado, la expresión para calcular el valor de la tensión nominal a partir del momento flector (M) actuante sobre la barra, es la siguiente:

σo = M·c / I

donde c = d/2, I = t·d3/12 (ver estas expresiones en Diagrama D.4 del apartado anterior), y el momento flector vale: M = 2·P (ver dimensiones en la figura anterior).

Sustituyendo se tiene que,

 

2 · P · 1"

 

σo =  


 

 

1" · (2,5 - 0,5)3 / 12

 


que resulta,

σo = 3·P

Igualando con el valor anteriormente calculado para la tensión nominal (σo), se podrá obtener la carga máxima (P) que podrá soportar la barra:

σo = 3·P = 20.204

Resultando finalmente,

P = 6734 lb

 

3.-  Fallo por fatiga

3.1-  Generalidades

Como ya se ha apuntado, la fatiga supone una reducción de la resistencia mecánica de los materiales cuando actúan cargas cíclicas o fluctuantes. Dependiendo del valor de la tensión aplicada, de la presencia de entallas, de grietas u otro tipo de irregularidades en la pieza, el número de ciclos necesarios para que se produzca la rotura por fatiga será diferente.

rotura por fatiga

En general, la falla por fatiga comienza por la aparición de bandas de deslizamiento que, conforme aumenta el número de ciclos, provoca la aparición de pequeñas fisuras que se dan preferentemente en granos del material próximos a la superficie.

No obstante, también puede iniciarse el proceso en pequeños defectos o concentradores de tensión, que son puntos que presentan algún tipo de irregularidad o discontinuidad, como inclusiones, pequeñas grietas, discontinuidades superficiales, etc.

Una vez iniciado el proceso, la siguiente fase es la del crecimiento de la grieta, la cual va aumentando progresivamente su tamaño hasta que el área de la sección neta de trabajo de la pieza es tan pequeña que se produce la rotura repentina de la pieza.

El tipo de geometría de la pieza también influirá en la velocidad de propagación de la grieta. Así, un diseño que favorezca la aparición de zonas de concentración de tensiones, como cambios de sección, presencia de chaveteros, orificios, geometrías con esquinas entrantes, etc., van a permitir un desarrollo más rápido de la grieta.

 

3.2-  Diagrama S-N

El límite de fatiga (S'n) se define como el esfuerzo fluctuante máximo que puede soportar un material para un número infinito de ciclos de aplicación de la carga (en general, se considera vida infinita si el número de ciclos N>106 ciclos). Su valor, en general, podrá ser determinado empleando un diagrama o curvas S-N.

diagrama S-N del acero

 

Según el diagrama S-N típico para los aceros, que se muestra en la figura adjunta, su comportamiento a fatiga se aproxima a una recta en representación logarítmica, donde el límite de fatiga (S'n) representa el valor de la tensión por debajo de la cual no se produce el fallo por fatiga en la pieza.

Las curvas S-N se obtienen experimentalmente ensayando probetas de material que se someten a tensiones cíclicas de una amplitud relativamente grande (aproximadamente 2/3 de su resistencia estática a tracción).

Los resultados se representan dando lugar a las llamadas curvas S-N, donde en el eje vertical de ordenadas se representan los valores de amplitudes de tensión (S) aplicadas, mientras que en el eje horizontal o eje de abscisas se sitúa el valor del logaritmo de los números de ciclos (N) necesarios para la rotura de cada probeta.

En estos ensayos se contabilizan los ciclos necesarios hasta que se produce la rotura de la probeta para cada rango de tensión aplicada. Como se aprecia en las curvas S-N, la resistencia a fatiga de los materiales aumenta cuando disminuye el número de ciclos de aplicación de carga, mientras que si los ciclos de carga a los que se somete el material aumentan, entonces su resistencia a la fatiga irá disminuyendo.

Su límite inferior (línea recta horizontal del diagrama) representa el límite de fatiga (S'n) del material, de manera que si la amplitud de la tensión aplicada es inferior a este valor, el material presentará duración infinita y no fallará a fatiga.

Para casi todos los aceros, se puede determinar gráficamente el diagrama S-N con bastante buena aproximación (ver diagrama anterior), dado que para estos materiales ocurre que:

●  Para N=103 ciclos, la rotura a fatiga ocurre cuando la tensión aplicada alcanza el valor de  S = 0,9·Su  siendo Su = el límite de rotura del acero para esfuerzos estáticos.

●  Para N=106 ciclos (vida infinita), el límite de fatiga del acero vale S'n = 0,5·Su

Lo anterior se cumple para aquellos aceros que presentan un límite a la rotura Su<14.000 kg/cm2. Para aquellos aceros cuyo límite de rotura sea mayor que ese valor (Su>14.000 kg/cm2), entonces se recomienda emplear como límite de fatiga para estos aceros el valor S'n = 7.000 kg/cm2.

Para el caso que se trate de materiales de hierro fundido o bronce, el límite a fatiga a emplear para estos materiales será entonces de S'n = 0,4·Su.

El diagrama S-N de un material ayuda a estimar su vida útil cuando sobre él actúan cargas cíclicas, de manera que se pueda calcular su resistencia a fatiga para poder soportar un determinado número de ciclos de aplicación de la carga.

diagrama S-N del acero

En efecto, por ejemplo supongamos un eje de giro de acero al cual se pretende calcular su resistencia a fatiga para que pueda aguantar al menos una vida útil de 100.000 ciclos (N=105 ciclos).

El eje elegido será de un acero AISI C 1035, que ofrece las siguientes propiedades mecánicas:

●  Sy (límite de fluencia) = 3.800 kg/cm2

●  Su (límite de rotura) = 6.000 kg/cm2

Según lo indicado anteriormente, para representar su diagrama S-N se calculan su resistencia a fatiga para 103 ciclos (S) y para 106 ciclos (límite a fatiga, S'n):

●  Para 103 ciclos: S = 0,9·Su = 0,9·6000 = 5400 kg/cm2

●  Para 106 ciclos: S'n = 0,5·Su = 0,5·6000 = 3000 kg/cm2

Finalmente, la resistencia a fatiga del eje (Sx) para aguantar los 100.000 ciclos (N=105 ciclos) se podrá obtener a partir de su curva S-N, mediante la relación siguiente:

S - S'n  =  S - Sx


log(106) - log(103) log(100.000) - log(103)

 

donde, S = 5.400 kg/cm2  y  S'n = 3.000 kg/cm2

Despejando Sx  se obtendrá finalmente la resistencia del eje para soportar los 100.000 ciclos de carga, resultando:

Sx = 3.800 kg/cm2

 

3.3-  Cálculo del límite de fatiga

Según lo indicado en el apartado anterior, el comportamiento a fatiga de los materiales se puede representar con bastante aproximación a una recta en representación logarítmica, llegando a una tensión por debajo de la cual no se produce fallo por fatiga, siendo éste el ya nombrado límite de fatiga (S'n).

Pues bien, resulta que el límite de fatiga real de una pieza puede ser muy diferente al obtenido según el diagrama S-N. Esto es así porque todo diagrama S-N ha sido obtenido experimentalmente a partir de ensayos en una probeta concreta, con una determinada geometría, con un determinado acabado superficial, bajo la acción de unas condiciones de carga, temperatura de ensayo, etc., que en general, resultarán muy diferentes a las condiciones reales de trabajo a las que estará sometida la pieza.

En este sentido, y para tener en cuenta los distintos factores que van a influir en el valor real del límite de fatiga, se va a modificar el diagrama de la curva S-N. En este proceso, se va a mantener constante el punto de partida de la curva para una vida 103 ciclos, y se va a modificar el punto para 106 ciclos de vida correspondiente al límite de fatiga (S'n), de acuerdo a ciertos factores que tengan en cuenta las condiciones reales de trabajo.

El nuevo límite a fatiga (Sn) será calculado a partir del teórico anterior obtenido de los ensayos (S'n), pero afectado de los distintos coeficientes correctores que recojan la influencia de los distintos factores de acuerdo a las condiciones reales de trabajo:

Sn = Ca · Cb · Cc · Cd · Ce · S'n

donde,

Sn = límite de fatiga real (kg/cm2)

S'n = límite de fatiga teórico de la probeta de ensayo

Ca = coeficiente por acabado superficial

Cb = coeficiente por tamaño

Cc = coeficiente de confianza

Cd = coeficiente de temperatura

Ce = coeficiente de sensibilidad a la entalla

A continuación, se incluyen los procedimientos y tablas que permitirán estimar el valor de los anteriores coeficientes correctores del límite de fatiga.

●  Coeficiente por acabado superficial, Ca

Mientras que la probeta de ensayo que se usa para obtener las curvas S-N dispone de un pulido especular de su superficie, la de cualquier pieza en general presentará normalmente una rugosidad mayor. Esta sensibilidad a la rugosidad superficial será mayor cuanto mayor sea la resistencia del material, como se puede apreciar en el diagrama adjunto que permite obtener el valor del coeficiente  Ca:

Cálculo del límite de fatiga

Como se puede apreciar en el diagrama anterior, el coeficiente (Ca) tiene un efecto muy significativo sobre el límite de fatiga.

 

●  Coeficiente por tamaño, Cb

Para piezas circulares, en los casos de flexión y torsión, el coeficiente por tamaño (Cb) se puede expresar como:

Cb = 1   si d<10 mm

Cb = 1,189·d-0,097   si d>10 mm

Para casos de carga axial:

Cb = 1   si d<10 mm

Cb = entre 0,6 - 0,7   si d>10 mm (según la excentricidad de la carga)

 

●  Coeficiente de confianza o seguridad funcional, Cc

Los autores Stilen, Cummings y Schulte establecieron que la distribución de la relación de las resistencias a la fatiga es una distribución normal para un número fijo de ciclos, y en este sentido, el coeficiente de confianza se puede expresar como:

Coeficiente de confianza, Cc = 1 - 0,08·D

siendo  D  el factor de desviación, que se puede obtener de la siguiente tabla en función de la probabilidad de supervivencia de la pieza que se desee que tenga:

Probabilidad de supervivencia (%)

D

85

1,0

90

1,3

95

1,6

99

2,3

99,9

3,1

99,99

3,7


 

●  Coeficiente por temperatura, Cd

El coeficiente de temperatura (Cd) tiene en cuenta la diferencia de temperatura entre la temperatura de ensayo de la probeta para la obtención del diagrama S-N, y la temperatura real de operación de la pieza.

Esto es debido a que tanto el límite elástico como la resistencia a tracción de los materiales son variables con la temperatura. Así, cuando la temperatura de operación son bajas se debe comprobar el fallo por fatiga, mientras que si la temperatura es elevada se deberá comprobar el fallo de la pieza por fluencia o por fatiga del material, o por una combinación de ambas conocido como termofluencia.

El coeficiente de temperatura  Cd  se puede obtener de las expresiones siguientes:

Cd  =  620      para T > 160ºF  (temperatura expresada en grados Fahrenheit)

460 + T

Cd = 1                 para T ≤ 160ºF

 

●  Coeficiente de sensibilidad a la entalla, Ce

Como ya hemos visto, un fallo por fatiga casi siempre se origina en una discontinuidad, de manera que en muchas ocasiones la grieta empieza en una entalla, un resalte o en el borde de un orificio, aunque también puede iniciarse en una huella de herramienta o a partir de una raya en la superficie de la pieza. Hay materiales que son mucho más sensibles a la entalla que otros.

Desde un punto de vista físico, el factor de concentración de tensiones elástico (Kt) visto en el apartado anterior 2.2 tiene un significado relativo, puesto que los materiales reales suelen presentar un comportamiento de tipo elastoplástico en las entallas.

Por esta razón, la hipótesis de comportamiento elástico lineal es sólo una aproximación inicial que no suele cumplirse del todo en la práctica. Este hecho hace que la presencia de singularidades geométricas reduzca la resistencia a la fatiga de las piezas y demás componentes mecánicos, aunque no en la misma proporción como marca el factor de concentración de tensiones (Kt) teórico. Por este motivo se introduce el concepto de coeficiente de concentración de tensiones a la fatiga (Kf) definido, para una vida dada, como:

 

Resistencia a la Fatiga SIN entalla

 

Kf =  


 

 

Resistencia a la Fatiga CON entalla

 


El coeficiente de sensibilidad a la entalla (Ce) está relacionado con el coeficiente de concentración de tensiones a la fatiga (Kf) en la siguiente forma:

 

1

 

Ce =  


 

 

Kf

 


Por otro lado, la relación entre el coeficiente de concentración de tensiones elástico lineal (Kt) y el coeficiente de concentración de tensiones a la fatiga (Kf), viene dada a través del llamado factor de sensibilidad a la entalla (q):

q  =  Kf - 1  ≈  1


Kt - 1 1 + a/r

donde,

a   es una dimensión característica del material

r   es el radio de la entalla.

Despejando de la ecuación anterior, se puede obtener el coeficiente de concentración de tensiones a la fatiga (Kf) en función del coeficiente de concentración de tensiones elástico (Kt) y del factor de sensibilidad a la entalla (q):

Kf = 1 + q · (Kt - 1)

El procedimiento a seguir sería el siguiente:

1º.- Se calcula el coeficiente de concentración de tensiones (Kt) a partir de la geometría de la pieza, utilizando los distintos diagramas que se han indicado en el apartado 2.2.

2º.- Posteriormente, con los datos de geometría de la pieza y radio de la entalla, se calcula el factor de sensibilidad a la entalla (q) mediante la ecuación ya vista de:

 

1

 

q =  


 

 

1 + a/r

 


3º.- Conocidos  Kt  y  q , se calcula el coeficiente de concentración de tensiones a la fatiga (Kf) mediante la expresión:

Kf = 1 + q·(Kt - 1)

4º.- Finalmente, el coeficiente de sensibilidad a la entalla (Ce) se calcula como:

 

1

 

Ce =  


 

 

Kf

 


Por último decir también que, aparte de los anteriores factores, existen otros aspectos a tener en cuenta que podrán modificar el límite de fatiga final de una pieza. Entre otros, están los siguientes:

-  Tensiones residuales: si a una pieza se le somete a un tratamiento que introduzca una tensión residual superficial de compresión, como por ejemplo, un proceso de endurecimiento superficial mediante perdigones, martillado o laminado en frío, entonces se obtendrá una mejora del límite de fatiga de la pieza.

-  Características direccionales del material: las piezas laminadas, forjadas o estiradas presentan un 10 a 20 % de reducción del límite de fatiga en dirección transversal respecto al valor que presenta en su dirección longitudinal de laminación.

-  Defectos internos: inclusiones de escoria u óxidos, partículas extrañas, empeoran el límite a fatiga.

-  Corrosión: la corrosión produce un picado de la superficie de la pieza que hace disminuir su resistencia a fatiga.

-  Metalizado: procesos como el cromado, niquelado y cadmiado pueden reducir el límite de fatiga de la pieza hasta incluso en un 35%.

 

3.4-  Ejemplos de cálculo

●  EJEMPLO I:

En este primer ejemplo, se trata de calcular la duración estimada (número de ciclos o vueltas de revolución) de un eje de giro como el que se muestra en la figura siguiente.

cálculo del límite de fatiga

Dicho eje se encuentra apoyado mediante sendos cojinetes de bolas colocados en los apoyos A y D, siendo  r=5 mm  el valor del radio de acuerdo para el entalle en los cambios de sección del eje.

Para este ejemplo, se considerará que el eje está fabricado en acero AISI 1050 estirado en frío (Sy = 580 MPa, Su = 690 MPa) con un acabado superficial a máquina.

A efecto de cálculos, las dimensiones del eje que aparecen en la figura adjunta están expresadas en  mm.

En primer lugar, se va a calcular el valor de las reacciones que se producen en los apoyos de los cojinetes (apoyos A y D). Para ello, se establecerán las ecuaciones de equilibrio estático (equilibrio de fuerzas y de momentos), resultando las siguientes ecuaciones:

●  Equilibrio de Fuerzas:   RA + RD = 7500 N

●  Equilibrio de Momentos:   RA·720 - 7500·305 = 0

De donde se obtienen los siguientes valores de las reacciones:

RA = 3.177,08 N

RD = 4.322,92 N

Obtenidos los valores de las reacciones en los apoyos del eje, se puede obtener también la distribución de la ley de momentos de flexión a lo largo del eje (ver figura siguiente). Para ello se recomienda consultar el prontuario de esfuerzos y deformaciones en vigas que se incluye en esta web, para el caso de viga apoyada en sus dos extremos.

cálculo del límite de fatiga

Según la distribución de esfuerzos, el momento flector máximo en el eje se alcanza en el punto de aplicación de la carga (1.318,49 m·N), aunque la sección crítica del eje a fatiga se sitúa en el entalle donde se produce el cambio de sección, en este caso la sección B, que es la de mayor momento (1.016,67 m·N).

Por otro lado, y de acuerdo a lo visto en el apartado 3.2 anterior, la resistencia a fatiga teórica del acero se puede obtener como S'n = 0,5·Su = 0,5·690 = 345 MPa

El anterior valor es el valor de la resistencia a fatiga de la probeta de acero en el ensayo. Para calcular el valor de la resistencia a fatiga que se adapte mejor a las condiciones reales de trabajo de la pieza, habrá que afectar al anterior valor de los correspondientes coeficientes correctores, que para este ejemplo, y según lo visto también en el apartado anterior, se expresará como:

Sn = Ca · Cb · Cc · Cd · Ce · S'n

donde,

Sn = límite de fatiga real de la pieza

S'n = límite de fatiga teórico de la probeta, que para este caso y tipo de acero vale, S'n = 345 MPa

Ca = coeficiente por acabado superficial

Cb = coeficiente por tamaño

Cc = coeficiente de confianza

Cd = coeficiente de temperatura

Ce = coeficiente de sensibilidad a la entalla

A continuación, se calcularán los valores de los distintos coeficientes correctores del límite de fatiga adaptados a este ejemplo:

●  Coeficiente por acabado superficial, Ca

Según el diagrama indicado en el apartado anterior para el cálculo del coeficiente por acabado superficial (Ca), para un valor de la resistencia última a tracción del acero Su = 690 MPa y un acabado de superficie maquinado de la pieza, resulta un coeficiente corrector de:

Ca = 0,75

●  Coeficiente por tamaño, Cb

Para casos de flexión y torsión, el coeficiente por tamaño (Cb) se calcula utilizando las expresiones vistas también en el apartado anterior, que para un diámetro del eje d=32 mm (d>10 mm), resulta:

Cb = 0,85

●  Coeficiente de confianza o seguridad funcional, Cc

De acuerdo a lo indicado en el apartado anterior, si se considera una probabilidad de fallo del 99%, resulta un factor de desviación de valor  D=2,3. Con este valor el coeficiente de confianza resulta finalmente de:

Coeficiente de confianza, Cc = 1 - 0,08·D = 1 - 0,08·2,3 = 0,82

●  Coeficiente por temperatura, Cd

Se supone que para este ejemplo el eje trabajará siempre a una temperatura de operación por debajo de 70 ºC (158 ºF).

Según lo indicado en el apartado anterior, si T ≤ 160 ºF, le corresponde un factor corrector por temperatura de Cd = 1.

●  Coeficiente de sensibilidad a la entalla, Ce

En primer lugar, se calcula el coeficiente de concentración de tensiones (Kt). Para ello, se hará uso del diagrama que mejor se aproxime al caso que ocupa, según la tipología de carga y geometría de la pieza, según se ha indicado en el apartado 2.2.

Para este caso, se empleará el diagrama D.9 "Barra circular con entalle circunferencial sometida a flexión", entrando en el diagrama con los siguientes valores:

D/d = 38/32 = 1,19

r/d = 5/32 = 0,16

Resultando un coeficiente de concentración de tensiones (Kt) de valor:

Kt = 1,45

En segundo lugar, a partir de la dimensión característica del eje (para este caso, se tiene que a = diámetro = 32 mm) y radio de la entalla (r = 5 mm), se calcula el factor de sensibilidad a la entalla (q), mediante la ecuación ya vista de:

 

1

 

q =  


 

 

1 + a/r

 


que sustituyendo valores resulta,

q = 1/(1+32/5) = 0,14

Conocidos el coeficiente de concentración de tensiones  Kt=1,45  y del factor de sensibilidad a la entalla  q=0,14, se calcula el coeficiente de concentración de tensiones a la fatiga (Kf) como:

Kf = 1 + q·(Kt - 1) = 1+ 0,14·(1,45-1) = 1,06

Finalmente, el coeficiente de sensibilidad a la entalla (Ce) se calcula como:

Ce = 1/Kf = 1/1,06 = 0,94

 

Por lo tanto, obtenido los coeficientes correctores anteriores, ya se puede obtener el valor de la resistencia a la fatiga (Sn):

Sn = Ca · Cb · Cc · Cd · Ce · S'n = 0,75 · 0,85 · 0,82 · 1 · 0,94 · 345 = 169,53 ≈ 170 MPa

cálculo del límite de fatiga

Con el valor real del límite de fatiga (Sn) para la pieza de acero de este ejemplo, se puede construir su diagrama S-N, como se muestra en la figura adjunta.

Como ya se indicó en el apartado 3.2 anterior, se puede representar con muy buena aproximación el diagrama S-N de los aceros conociendo dos puntos. Estos puntos son, por un lado, su resistencia a fatiga para 103 ciclos (para este caso, S = 0,9·Su = 0,9·690 = 621 MPa) y por otro, su límite a fatiga (Sn = 170 MPa) ya calculado para 106 ciclos (vida infinita).

Por otro lado, se tenía que el valor del momento flector en el entalle del eje donde se produce el cambio de sección, en este caso la sección B, es de valor  M = 1.016,67 m·N, obtenido de la distribución de la ley de momentos de flexión a lo largo del eje.

El módulo resistente a flexión (W) de la sección del eje en ese punto se calcula como:

W = I/c = (π·d4/64)/(d/2) = (π·3,24/64)/(3,2/2) = 3,22 cm3

Por lo tanto, el valor de la tensión debido al momento flector en la sección B del eje viene dado por la siguiente expresión:

 

M

 

σ =  


 

 

W

 


que sustituyendo valores resulta:

σ = 1.016,67 m·N / 3,22·10-6 m3 = 315,74 ≈ 316 MPa

El valor de este esfuerzo es mayor que su límite a fatiga (σ > Sn = 170 MPa), por lo que el eje tendrá una vida finita de un determinado número de ciclos, que se podrá obtenerse de su diagrama S-N.

Por lo tanto y como se indica en la figura anterior, a partir de la curva S-N se podrá obtener el número de ciclos que aguanta la pieza sometida a la tensión σ = 316 MPa, mediante la relación siguiente:

621 - 170  =  621 - 316


log(106) - log(103) log(N) - log(103)

Resultando finalmente una duración estimada de la vida del eje de:

N = 105,02882 = 106.861,19 ciclos

 

4.-  Tensiones fluctuantes

4.1-  Generalidades

En la resistencia a fatiga de los materiales, la tensión alterna debido a cargas cíclicas actuando a alto número de ciclos antes que se produzca el fallo (con pequeña deformación plástica en la rotura), es uno de los parámetros principales que interviene en el proceso.

tensión fluctuante

En la figura adjunta, que representa un esfuerzo cíclico típico o tensión fluctuante, se pueden observar los siguientes parámetros:

σmín = tensión mínima

σmáx = tensión máxima

σa = amplitud de la tensión

σm = tensión media o promedio

σr = rango o recorrido de la tensión

Como ya se ha comentado anteriormente, la rotura por fatiga de los materiales suele comenzar con la presencia de pequeñas grietas o irregularidades. La actuación de cargas fluctuantes o cíclicas producen alternativamente tensiones de tracción y compresión, que son las responsables de la apertura y cierre de la grieta respectivamente. De este modo, una tensión media de tracción empeora el comportamiento a fatiga de la pieza porque ensancha la grieta, mientras que una de compresión lo mejora. Esto ocurre para fatiga a alto número de ciclos, siendo mucho menor dicho efecto en el caso de fatiga a bajo número de ciclos.

Por otro lado, el número de repeticiones o ciclos necesarios para originar el fallo por fatiga depende del rango de tensión (σr), y a su vez, el rango de tensión necesario para producir el fallo a un número determinado de repeticiones de la carga decrece a medida que la tensión media (σm) aumenta.

Atendiendo a las definiciones de cada uno de los parámetro anteriores se puede deducir que:

σr = σmáx - σmín

σm = (σmáx + σmín) / 2

σa = (σmáx - σmín) / 2

 

4.2-  La resistencia a fatiga bajo tensiones fluctuantes

Cuando un material está sometido a la acción de tensiones fluctuantes, la mayoría de las veces se asemeja a una situación como la que se representa en la figura adjunta, donde el nivel interno de tensiones del material fluctúa entre un valor máximo de tensión (σmáx) y un valor mínimo (σmín), resultando una tensión promedio (σm) distinta de cero (σm ≠ 0).

tensión fluctuante

Llegado a este punto de estudio, resulta útil introducir otros dos parámetros como son el coeficiente de asimetría de la carga (R) y el coeficiente de amplitud (A), definidos como:

R = σmín / σmáx

A = σa / σm

Así, se tiene que es posible calcular la resistencia a fatiga bajo tensiones fluctuantes (con tensión media distinta de cero, σm ≠ 0) corrigiendo el comportamiento del material mediante el cálculo de una tensión alterna equivalente, es decir, una tensión que aplicada con R = -1  lleve a una vida a fatiga igual que la carga considerada con la misma tensión media (σm) aplicada.

Hasta la actualidad se han propuesto multitud de modelos que tratan de explicar con bastante detalle este efecto, pero en este tutorial se van a exponer sólo los métodos clásicos de siempre.

Efectivamente, existen principalmente dos conocidos métodos para definir el límite de fatiga (Sn) del material, que son de acuerdo a las correcciones propuestas por Gerber y Goodman.

Sn  =  σa      (Gerber)

1 - (σmu)2

Sn  =  σa      (Goodman)

1 - (σmu)

Métodos de Goodman y Gerber para el cálculo de la resistencia a fatiga bajo tensión fluctuante

En la figura adjunta se representan gráficamente las correcciones propuestas por Goodman y Gerber para el cálculo del límite de fatiga del material bajo la acción de tensiones fluctuante cuando existe tensión media.

En este caso, Sn representa el límite de fatiga del material bajo una carga aplicada con coeficiente de asimetría R = -1, que es equivalente a una carga de tensión alterna (σa) con tensión media (σm).

Este procedimiento realmente se puede aplicar para calcular cualquier tensión, no sólo al cálculo del límite de fatiga que, por otro lado, es el objeto de este tutorial.

Por tanto, es importante tener claro que para conocer la tensión alterna equivalente a una carga aplicada con tensión media no nula, simplemente habrá que introducir las tensiones media y alterna empleadas.

Existe una tercera corrección propuesta por Soderberg, además de las dos anteriores, en la que se considera que la tensión media debería limitarse al límite elástico (Sy):

Sn  =  σa      (Soderberg)

1 - (σm/Sy)

Como se ha dicho, hay modelos más modernos que tratan de explicar con más detalle este efecto, pero estos son los tres métodos clásicos de siempre.

En cualquier caso, resulta recomendable ser conservador en los cálculos del límite de fatiga (Sn) considerando que, aunque haya presentes tensiones de compresión que no contribuyen al progreso de la grieta, no se debe considerar que se produce por este motivo un aumento de vida a fatiga, aunque realmente sí pueda darse.

 

4.3-  Ejemplos de cálculo

●  EJEMPLO I:

En este primer ejemplo se trataría de calcular, aplicando por separado los métodos de Gerber y Goodman, de la resistencia última (Su) que como mínimo debería tener una pieza de acero que forma parte de un componente mecánico, para soportar de manera indefinida una solicitación de carga que induce en la pieza un estado de tensiones fluctuante.

En este caso, la pieza estaría sometida a un esfuerzo de flexión variable que originaría un estado de tensiones interno que fluctuaría entre una tracción en la sección normal de la pieza de  2.500 kg/cm2  y una tensión de compresión de  1.250 kg/cm2.

resistencia a fatiga bajo tensión fluctuante

En primer lugar, se procede a calcular el valor de la tensión media (σm), del valor de la amplitud de la tensión (σa) y del rango o recorrido de la tensión (σr) para este caso:

σr = σmáx - σmín = 2500 - (-1250) = 3.750 kg/cm2

σm = (σmáx + σmín) / 2 = (2500 + (-1250))/2 = 1250/2 = 625 kg/cm2

σa = (σmáx - σmín) / 2 = (2500 - (-1250))/2 = 1.875 kg/cm2

Por otro lado, según lo indicado en el apartado 3.2 de este turorial, para el caso de los aceros se puede suponer con muy buena aproximación que el límite de fatiga a vida infinita (N=106 ciclos) se puede expresar como:  S'n = 0,5·Su

- Según método de Gerber:

La expresión de la parábola de Gerber es la siguiente, según lo visto en el apartado anterior:

S'n  =  σa     

1 - (σm/Su)2

Sustituyendo los valores conocidos para este caso, resulta una expresión de la parábola de:

Método de Gerber para el cálculo de la resistencia a fatiga bajo tensión fluctuante

0,5·Su = 1875 / [ 1 - ( 625 / Su )2 ]

0,5·Su - ( 0,5 · 6252 / Su ) = 1875

0,5·Su2 - 0,5·6252 = 1875·Su

Su2 - 3750·Su - 6252 = 0

Expresión que resulta una ecuación de segundo grado, donde la resistencia última (Su) sería la variable a calcular.

Resolviendo la anterior ecuación resulta que:

Su  =  3750 ± √ [ (-3750)2 + 4·6252 ]     

2

De las dos posibles soluciones a la ecuación, deberá elegirse aquella de mayor valor para la tensión última (Su), resultando finalmente:

Su = 3.851 kg/cm2

- Según método de Goodman:

La expresión de la recta de Goodman es la siguiente, según lo visto en el apartado anterior:

S'n  =  σa     

1 - (σm/Su)

Sustituyendo los valores conocidos para este caso, resulta una expresión de la recta de:

Método de Goodman para el cálculo de la resistencia a fatiga bajo tensión fluctuante

0,5·Su = 1875 / [ 1 - ( 625 / Su ) ]

0,5·Su - 0,5·625 = 1875

0,5·Su = 1857 + 0,5·625

Resultando finalmente, un valor para la resistencia última (Su), en este caso aplicando el método de Goodman, de:

Su = 4.375 kg/cm2

 

 

 

 

>> FIN DEL TUTORIAL

 

 

 

 

 

 

 

 

Programa de Colaboración

Ahora puedes colaborar en el sostenimiento de esta web realizando un pequeño donativo

Gracias por tu colaboración

Hermenegildo Rodríguez Galbarro

Editor y Responsable de esta Web.  [+info]

 

 

 

 

Volver a Tutoriales  >>

 

 

 

 

Información y consulta:

Hermenegildo Rodríguez Galbarro

info@ingemecanica.com - Tel. 646 166 055

 

 

Aviso Legal  •  Política de Privacidad  •  Política de Cookies